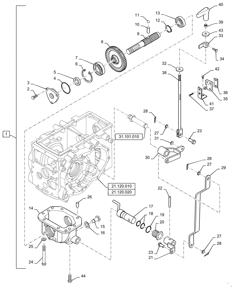
Запчасти Case IH FARMALL 35C (88.100.020) - DIA KIT, MID PTO HOUSING AND LEVER (88) - ACCESSORIES

Схема запчастей Case IH FARMALL 35C - (88.100.020) - DIA KIT, MID PTO HOUSING AND LEVER (88) - ACCESSORIES
21.120.020
41
44
33
15
37
13
23
22
5
30
42
7
31
36
6
28
43
34
3
16
24
32
29
10
19
21
35
8
38
17
28
4
12
11
20
2
14
9
18
1
28
27
27
39
26
27
23
40
25
21.120.010
31.101.010
FIT
1:1
100%

Артикул

Название

Примечание

Количество

1

MT20131516

PTO

Assy, Mid, Incl 2 - 43

1шт.

2

MT40028921

BOLT,Hex, M8 x 1.25 x 20mm

3шт.

3

MT40009842

COVER

MDL PTO Shaft

1шт.

4

MT40029219

O-RING,5.7mm Thk x 51.6mm OD

1шт.

5

MT40012884

OIL SEAL

1шт.

6

MT40029299

SNAP RING,M62

1шт.

7

MT40012715

BALL BEARING

1шт.

8

MT40029908

GEAR

MDL PTO Driven

1шт.

9

MT40009095

SHAFT,30mm OD x 206mm L

MDL PTO Driven

1шт.

10

MT40011943

SPRING,7.2mm OD x 22mm L

1шт.

11

MT40010339

BALL

Shift Fork

1шт.

12

MT40029273

SNAP RING,M30

1шт.

13

MT40012703

BALL BEARING

1шт.

14

MT40199270

CASE

MDL PTO

1шт.

15

MT40229917

PLUG

Magnet

1шт.

16

MT40229916

SEAL,20mm ID x 26mm OD x 1.5mm L

Plug

1шт.

17

MT40012234

LEVER

MDL PTO

1шт.

18

MT40029204

O-RING,2.4mm Thk x 15.8mm OD

2шт.

19

MT40029247

O-RING,2mm Thk x 27.50mm OD

1шт.

20

MT40009503

ADAPTER

Lever

1шт.

21

MT40012235

ARM

MDL PTO

1шт.

22

MT40270938

PIN,M6 x 35mm

Coiled

1шт.

23

MT40029108

HEADED PIN,M10 x 20mm

Head

2шт.

24

MT40029484

BOLT,Hex, M10 x 1.25 x 100mm

2шт.

25

MT40029549

WASHER,10.20mm ID x 18.40mm OD x 2.50mm Thk

Spring

2шт.

26

MT40029102

PIN,M10 x 20mm L

2шт.

27

MT40028158

WASHER,10.50mm ID x 18mm OD x 2mm Thk

Plain

3шт.

28

MT40029121

PIN,25mm OD x 20mm L

Split

3шт.

29

MT40255068

LINK

MDL PTO

1шт.

30

MT40283918

ARM

MDL PTO

1шт.

31

MT40012095

PLATE,12mm ID x 20mm OD x2mm Thk

Aux, Lever Space

1шт.

32

MT40007467

COVER,2.5mm Thk

Cover

1шт.

33

MT40011843

BRACKET,2.5mm Thk

Contact Switch

1шт.

34

MT40028580

SCREW,M8 x 1.25 x 12mm

1шт.

35

MT40007111

MFD SWITCH

Micro

1шт.

36

MT40012510

PLATE

Switch

1шт.

37

MT40028709

SCREW,M4 x 0.7 x 30mm

2шт.

38

MT40240207

LEVER

MDL PTO

1шт.

39

MT40029040

NUT,Hex, M8 x 1.25

1шт.

40

MT40239362

KNOB

MDL PTO

1шт.

41

MT40011844

BRACKET

MDL PTO

1шт.

42

MT40028970

BOLT,Hex, M8 x 1.25 x 16mm

2шт.

43

MT40007357

GROMMET,21mm OD x 23mm Thk

Wiper Front

1шт.

44

MT40028948

BOLT,Hex, M10 x 1.25 x 25mm

4шт.

Выбрано товаров: 44