Запчасти Case IH FARMALL 35C (35.300.060) - REMOTE CONTROL LINES, DUAL CONTROL (35) - HYDRAULIC SYSTEMS

Схема запчастей Case IH FARMALL 35C - (35.300.060) - REMOTE CONTROL LINES, DUAL CONTROL (35) - HYDRAULIC SYSTEMS
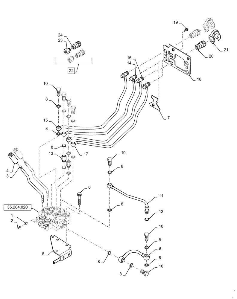
35.204.020
9
4
19
2
8
10
3
14
8
5
16
8
13
8
17
24
18
21
15
20
8
6
12
10
8
11
7
23
8
10
22
1
8
10
8
FIT
1:1
100%

Артикул

Название

Примечание

Количество

1

MT40028769

NUT,Hex, M10 x 1.5

2шт.

2

MT40029362

BOLT,Hex, M10 x 1.5 x 25mm

2шт.

3

MT40337034

LEVER,56.5mm x 200mm x 77mm

Remote

2шт.

4

MT40228432

GRIP

EXP, Green

1шт.

4

MT40229209

GRIP

EXP, Blue

1шт.

4

MT40008403

GRIP

USCI, Black

2шт.

5

MT40011429

BRACKET

Remocon Valve

1шт.

6

MT40028930

BOLT,Hex, M8 x 1.25 x 60mm

3шт.

7

MT40012459

BRACKET

Remocon

1шт.

8

MT40012415

SEAL,16.8mm ID x 1.5mm Thk

Bonded

16шт.

9

MT40011370

PIPE,12mm OD x 1mm Thk

Out Remocon

1шт.

10

MT40010321

BOLT,Union, PF 3/8" x 22mm OD

Union

7шт.

11

MT40011372

PIPE,12mm OD x 1mm Thk

Rcv Drain

1шт.

12

MT40029199

O-RING,2.40mm Thk x 11.80mm ID

1шт.

13

MT40010251

HYD CONNECTOR,22mm ID x 3/8” OD x 11X40L

Union

2шт.

14

MT40011545

PIPE,12mm OD x 1mm Thk

1D, Remocon

1шт.

15

MT40011546

PIPE,12mm OD x 1mm Thk

1U, Remocon

1шт.

16

MT40011547

PIPE,12mm OD x 1mm Thk

2D, Remocon

1шт.

17

MT40011548

PIPE,12mm OD x 1mm Thk

2U, Remocon

1шт.

18

MT40011483

BRACKET,2.3mm Thk

Remocon Pipe

1шт.

19

MT40029008

BOLT,Hex, M8 x 1.25 x 25mm

1шт.

20

MT40230238

COUPLING, QUICK, FEM,1/2"

Quick

4шт.

21

MT40230241

DUST CAP,1/2"

EXP, Green

2шт.

21

MT40230239

DUST CAP,1/2"

EXP, Blue

2шт.

21

MT40234922

DUST CAP

USCI, Black

4шт.

22

MT40233020

COUPLING

Assy Coupler Incl 23 - 24

4шт.

23

MT40009174

ADAPTER,1/2" - 3/8"

1шт.

24

MT40233022

COUPLING,3/8"

3/8 Quick

1шт.

Выбрано товаров: 28