Запчасти Case IH FARMALL 35C (37.110.010) - HYDRAULIC HOUSING (37) - HITCHES, DRAWBARS & IMPLEMENT COUPLINGS

Схема запчастей Case IH FARMALL 35C - (37.110.010) - HYDRAULIC HOUSING (37) - HITCHES, DRAWBARS & IMPLEMENT COUPLINGS
9
6
15
1
12
10
4
14
5
11
7
13
8
2
3
FIT
1:1
100%

Артикул

Название

Примечание

Количество

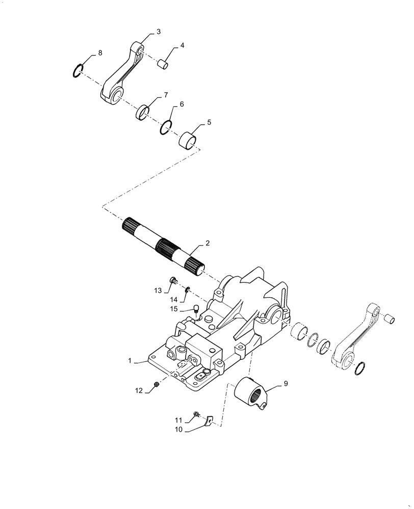
1

MT40253501

HOUSING

1шт.

2

MT40288300

SHAFT,303mm L

Hydraulic Lift

1шт.

3

MT40009177

ARM

Lift

2шт.

4

MT40009651

BUSHING,19mm ID x 22mm OD x 25mm L

Lift Arm

2шт.

5

MT40009718

BUSHING,45mm ID x 55mm OD x 30mm L

Lift Shaft

2шт.

6

MT40029223

O-RING,3.1mm Thk x 44.4mm ID

2шт.

7

MT40008343

COLLAR,45mm ID x 50mm OD x 14 Thk

2шт.

8

MT40029278

RING,M42

Snap

2шт.

9

MT40250346

LIFT ARM

1шт.

10

MT40011870

PLATE,3.2mm Thk

Taper

1шт.

11

MT40028919

BOLT,Hex, M8 x 1.25 x 16mm, W/ Wshr

1шт.

12

MT40012845

PLUG,Tpr, 1/4" PT

1шт.

13

MT40009526

PLUG,M12 x 1.75 x 12mm

1шт.

14

MT40012552

SEAL,12.20mm ID x 19mm OD, 1.50mm Thk, Copper

1шт.

15

MT40009792

PLUG,9.50mm OD x 7.50mm L

1шт.

Выбрано товаров: 15