Запчасти Case IH FARMALL 40 (07.11) - HYDRAULIC PIPING W/HST (07) - HYDRAULIC SYSTEM

Схема запчастей Case IH FARMALL 40 - (07.11) - HYDRAULIC PIPING W/HST (07) - HYDRAULIC SYSTEM
12
24
20
21
16
10
5
20
19
8
15
16
22
18
2
4
6
4c
23
11
25
1
6
4c
11
16
3
4b
5
7
14
13
20
17
8
15
9
26
27
4a
20
20
20
28
4
FIT
1:1
100%

Артикул

Название

Примечание

Количество

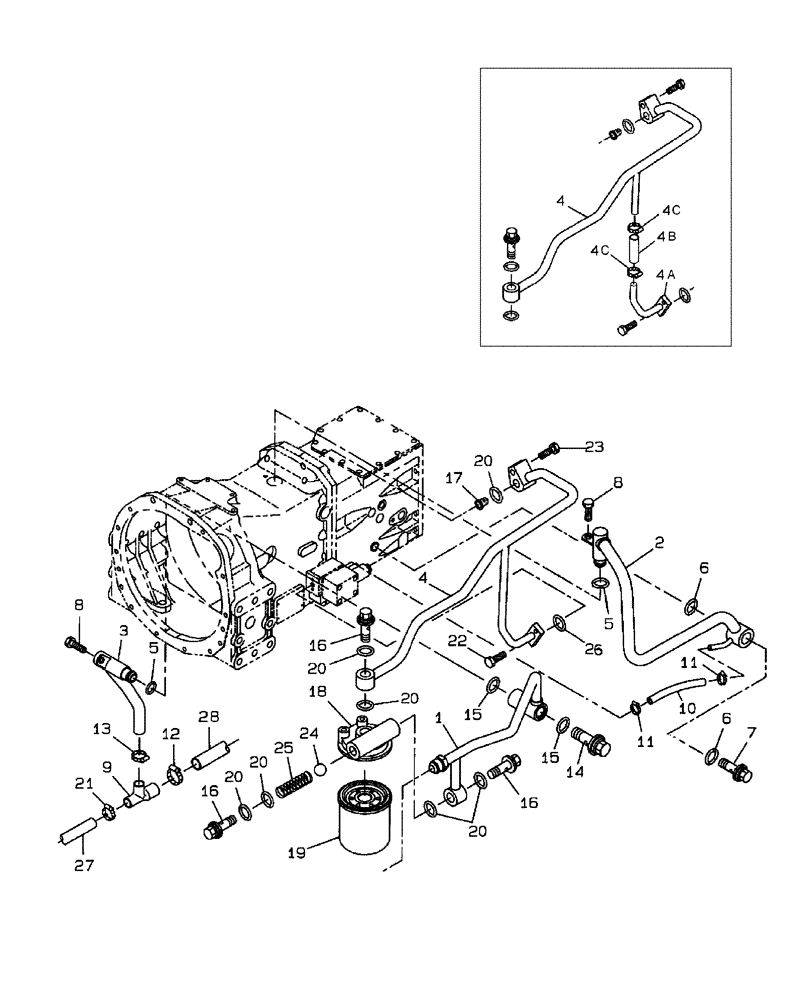
1

SBA340708230

RIGID TUBE

1шт.

2

SBA340708240

RIGID TUBE

1шт.

3

SBA340708220

RIGID TUBE

1шт.

4a

SBA340550050

RIGID TUBE

W/HST, Right

1шт.

4c

SBA398756260

BAND

, Serial Range: -4B 1 SBA340692790 H

2шт.

4b

SBA340692790

HOSE

1шт.

6

SBA052300250

O-RING

2шт.

8

SBA011510816

BOLT

M8 x 16

2шт.

9

SBA398120870

3 WAY CONNECTION

1шт.

10

SBA360770620

HOSE

Rubber

1шт.

11

SBA398750430

BAND

Hose

2шт.

12

SBA398750450

BAND

Hose

1шт.

13

SBA398750260

HOSE CLAMP

1шт.

14

SBA398481340

EYEBOLT

1шт.

15

SBA052100200

O-RING,2.4mm Thk x 19.8mm ID, 70 Duro

2шт.

16

SBA398480240

BANJO BOLT,3/8"

3шт.

17

SBA340520260

FILTER

1шт.

18

SBA340560440

FILTER HEAD

1шт.

19

SBA340501030

FILTER

Oil, W/Internal Bypass

1шт.

20

SBA052100200

O-RING,2.4mm Thk x 19.8mm ID, 70 Duro

7шт.

21

SBA398750450

BAND

Hose

1шт.

22

86508568

BOLT,Hex, M6 x 1 x 16mm, Cl 8.8

2шт.

23

SBA011511045

BOLT

1шт.

24

SBA048100016

BALL

Steel

1шт.

25

SBA398213390

SPRING

1шт.

26

SBA052100120

O-RING

1шт.

27

SBA340708150

RIGID TUBE

1шт.

28

SBA340708130

RIGID TUBE

1шт.

29

86400268

HOLDER

P Shaped Clamp used to hold Ref. 27 & 28, Serial Range: tubes-transmission

1шт.

Not Illustrated

1шт.

Выбрано товаров: 30