Запчасти Case IH FARMALL 40 (10.01.01) - GAS SPRING, CUP HOLDER, INSULATION, MISCELLANEOUS (10) - OPERATORS PLATFORM/CAB

Схема запчастей Case IH FARMALL 40 - (10.01.01) - GAS SPRING, CUP HOLDER, INSULATION, MISCELLANEOUS (10) - OPERATORS PLATFORM/CAB
1
9
7
1
4
5
8
10
6
9
3
10
2
FIT
1:1
100%

Артикул

Название

Примечание

Количество

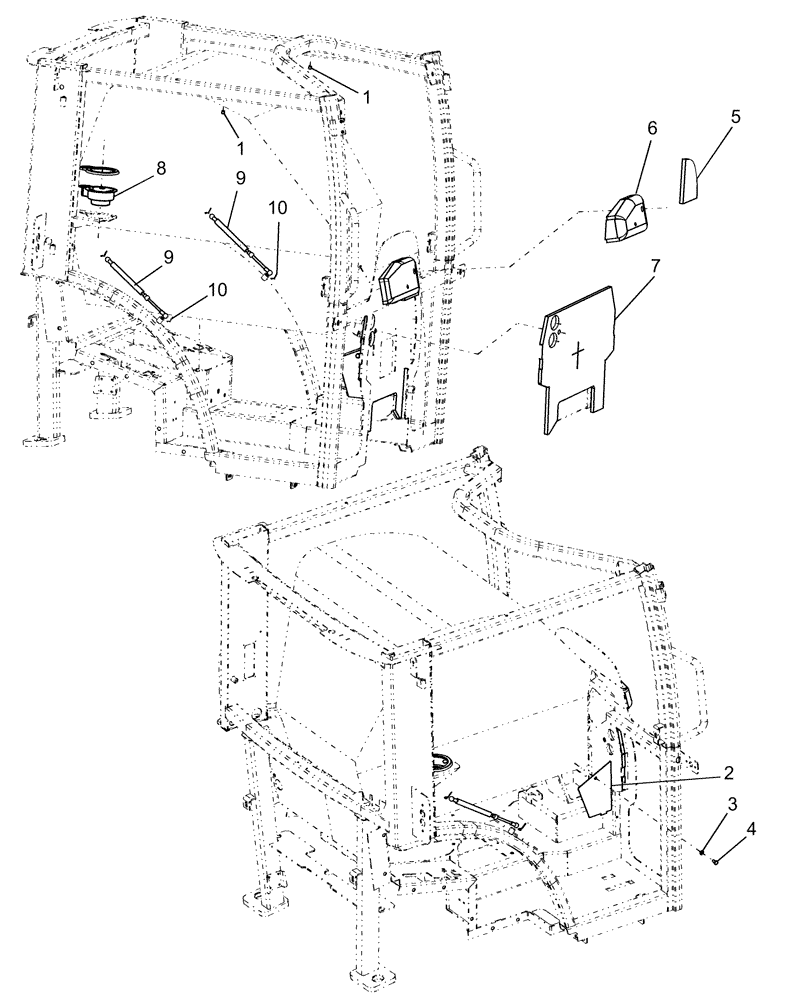
1

353-402

PLUG,Dome, .375" hole, Nylon

2шт.

2

87599183

PLATE

Steering Access Cover

1шт.

3

86511315

WASHER,8.4mm ID x 16mm OD x 1.8mm Thk

1шт.

4

86511841

BOLT,Flng, M8 x 1.25 x 16mm, Full Thd, Cl 8.8

1шт.

5

87520992

ELECTRIC INSULATION

Firewall Top

1шт.

6

87520993

ELECTRIC INSULATION

Wiper Motor

1шт.

7

87520999

ELECTRIC INSULATION

Firewall Blanket

1шт.

8

87539458

HOLDER

Cup

1шт.

9

84320293

GAS STRUT

2шт.

10

86999310

CLIP

Spring

4шт.

Выбрано товаров: 10