Запчасти Case IH FARMALL 40 (02.02.01) - OIL COOLER TUBES (02) - ENGINE EQUIPMENT

Схема запчастей Case IH FARMALL 40 - (02.02.01) - OIL COOLER TUBES (02) - ENGINE EQUIPMENT
3
8
4
10
11
9
5
12
2
7
3
1
6
FIT
1:1
100%

Артикул

Название

Примечание

Количество

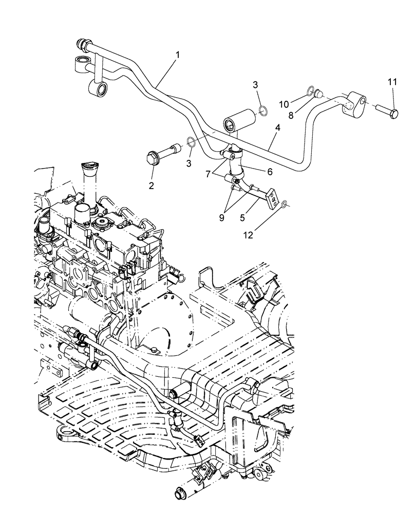
1

SBA340550540

TUBE

Tube, Oil Cooler & Filter (Short)

1шт.

2

SBA398481340

EYEBOLT

Bolt, Banjo M16 x 75

1шт.

3

SBA052100200

O-RING,2.4mm Thk x 19.8mm ID, 70 Duro

2шт.

4

SBA340550530

TUBE

Tube, Filter to HST (Long)

1шт.

5

SBA340550550

TUBE

Tube

1шт.

6

87571590

HOSE,12.70 mm ID x 5320.00 mm, SAE 30R2

Oil Cooler Top (Cab)

1шт.

7

86505159

HOSE CLAMP

2шт.

8

SBA340520260

FILTER

Line, Filter

1шт.

9

86508568

BOLT,Hex, M6 x 1 x 16mm, Cl 8.8

2шт.

10

SBA052100200

O-RING,2.4mm Thk x 19.8mm ID, 70 Duro

1шт.

11

84062222

BOLT,Hex, M10 x 45mm, Cl 8.8, Full Thd

1шт.

12

SBA052100120

O-RING

1шт.

Выбрано товаров: 12