Запчасти Case IH FARMALL 40 (07.02) - HYDRAULIC LIFT COVER, HEAD ASSEMBLY (07) - HYDRAULIC SYSTEM

Схема запчастей Case IH FARMALL 40 - (07.02) - HYDRAULIC LIFT COVER, HEAD ASSEMBLY (07) - HYDRAULIC SYSTEM
11
12
6
20
2
8
4
10
20
3
1
19
5
13
7
9
FIT
1:1
100%

Артикул

Название

Примечание

Количество

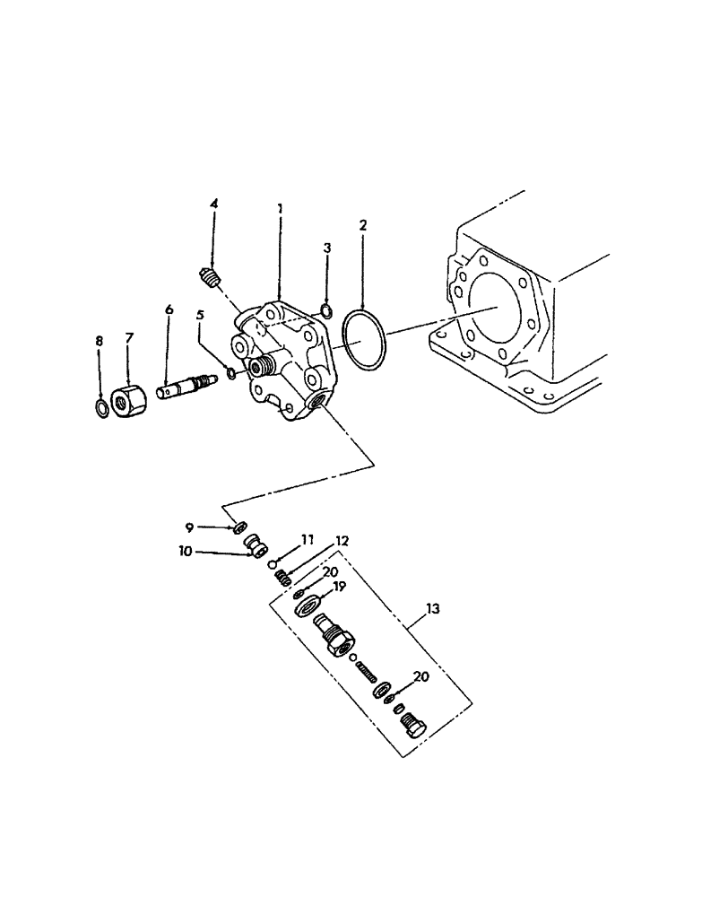
1

SBA344711320

CYLINDER HEAD

1шт.

2

SBA052310750

O-RING

1шт.

3

SBA052110120

O-RING

1шт.

4

SBA064500030

PLUG,3/8"

1шт.

5

SBA052110070

O-RING

1шт.

6

SBA340170730

HYDRAULIC VALVE

1шт.

7

SBA340190340

GUIDE

1шт.

8

SBA052109076

O-RING,2.4mm Thk x 10.8mm ID

1шт.

9

SBA340990150

GASKET

1шт.

10

SBA340190360

GUIDE

1шт.

11

SBA048100008

BALL

Steel

1шт.

12

SBA398214400

SPRING

1шт.

13

SBA340016560

HYDRAULIC VALVE

Includes: Ref. 19 & 20

1шт.

19

SBA398112140

SEAL

Rubber

1шт.

20

SBA052109076

O-RING,2.4mm Thk x 10.8mm ID

2шт.

Выбрано товаров: 15