Запчасти Case IH FARMALL 40 (07.03.01) - HPL CONTROL VALVE - SBA340016350 (07) - HYDRAULIC SYSTEM

Схема запчастей Case IH FARMALL 40 - (07.03.01) - HPL CONTROL VALVE - SBA340016350 (07) - HYDRAULIC SYSTEM
24
15
4
11
10
3
32
26
25
19
33
17
14
30
16
2
8
20
18
29
31
12
13
6
21
1
34
27
36
28
23
37
22
31
5
9
35
7
FIT
1:1
100%

Артикул

Название

Примечание

Количество

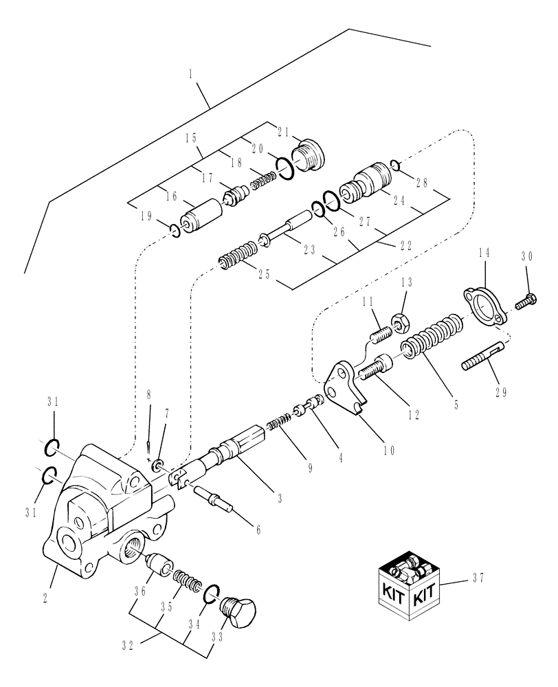
1

SBA340016350

VALVE

HPL Control Includes: Ref. 2 thru 36

1шт.

2

NSS

NOT SOLD SEPARAT

Housing

1шт.

3

NSS

NOT SOLD SEPARAT

Spool

1шт.

4

NSS

NOT SOLD SEPARAT

Spool, Flow

1шт.

5

SBA340293734

SPRING

1шт.

6

SBA340293735

PIN

1шт.

7

SBA026200006

WASHER

1шт.

8

SBA340293736

PIN

Split

1шт.

9

SBA340293737

SPRING

Spring

1шт.

10

SBA340293738

PLATE

1шт.

11

SBA340293739

SCREW

1шт.

12

SBA340293740

BOLT

1шт.

13

43362

NUT,M8 x 1.25, Cl 10

1шт.

14

SBA340293741

PLATE

Spring

1шт.

15

SBA340293731

HYDRAULIC VALVE

Poppet A Includes: Ref. 16-21

1шт.

16

NSS

NOT SOLD SEPARAT

Sleeve

1шт.

17

NSS

NOT SOLD SEPARAT

Poppet

1шт.

18

SBA340293745

SPRING

1шт.

19

NSS

NOT SOLD SEPARAT

O-Ring

1шт.

20

NSS

NOT SOLD SEPARAT

O-Ring

1шт.

21

NSS

NOT SOLD SEPARAT

Plug

1шт.

22

SBA340293732

HYDRAULIC VALVE

Poppet B Includes: Ref. 23-28

1шт.

23

NSS

NOT SOLD SEPARAT

Poppet

1шт.

24

NSS

NOT SOLD SEPARAT

Sleeve

1шт.

25

SBA340293749

SPRING

1шт.

26

NSS

NOT SOLD SEPARAT

O-Ring

1шт.

27

NSS

NOT SOLD SEPARAT

O-Ring

1шт.

28

NSS

NOT SOLD SEPARAT

O-Ring

1шт.

29

SBA340293742

PIN

2шт.

30

SBA011140612

BOLT

2шт.

31

SBA052110160

O-RING

2шт.

32

SBA340293733

HYDRAULIC VALVE

Poppet C Includes: Ref. 33-36

1шт.

33

NSS

NOT SOLD SEPARAT

Plug M18 x 1.5

1шт.

34

NSS

NOT SOLD SEPARAT

O-Ring

1шт.

35

SBA340293752

SPRING

1шт.

36

NSS

NOT SOLD SEPARAT

Poppet

1шт.

37

SBA340293753

SEAL KIT

Includes: Ref. 19,20,26,27,28,31 & 34

1шт.

Выбрано товаров: 37