Запчасти Case IH FARMALL 40A (37.100.010) - DRAWBAR AND HITCH (37) - HITCHES, DRAWBARS & IMPLEMENT COUPLINGS

Схема запчастей Case IH FARMALL 40A - (37.100.010) - DRAWBAR AND HITCH (37) - HITCHES, DRAWBARS & IMPLEMENT COUPLINGS
7
6
3
10
8
5
4
9
1
2
FIT
1:1
100%

Артикул

Название

Примечание

Количество

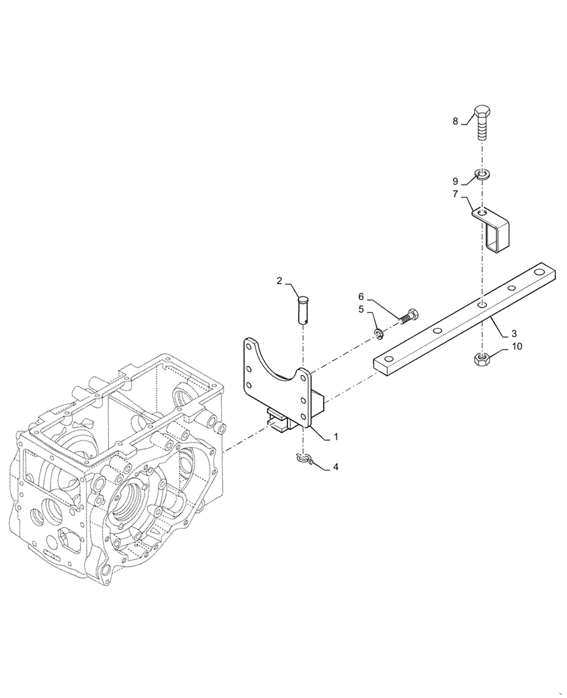
1

MT40239963

DRAWBAR SUPPORT

Drawbar

1шт.

2

MT40242861

PIN,25mm OD x 77mm L

Drawbar

1шт.

3

MT40008964

DRAWBAR,50mm x 25mm Thk x 623mm L

Hitch

1шт.

4

MT40242876

PIN

Linch

1шт.

5

MT40029553

WASHER,14.20mm ID x 24.50mm OD x 3.50mm Thk

Spring

6шт.

6

MT40029397

BOLT,Hex, M14 x 2 x 40mm

6шт.

7

MT40232319

BRACKET

Chain Support

1шт.

8

MT40076191

BOLT,Hex, M20 x 2.5 x 60mm

1шт.

9

MT40029558

WASHER,20.20mm ID x 33.80mm OD x 5.10mm

Spring

1шт.

10

MT40028773

NUT,Hex, M20 x 2.5

1шт.

Выбрано товаров: 10