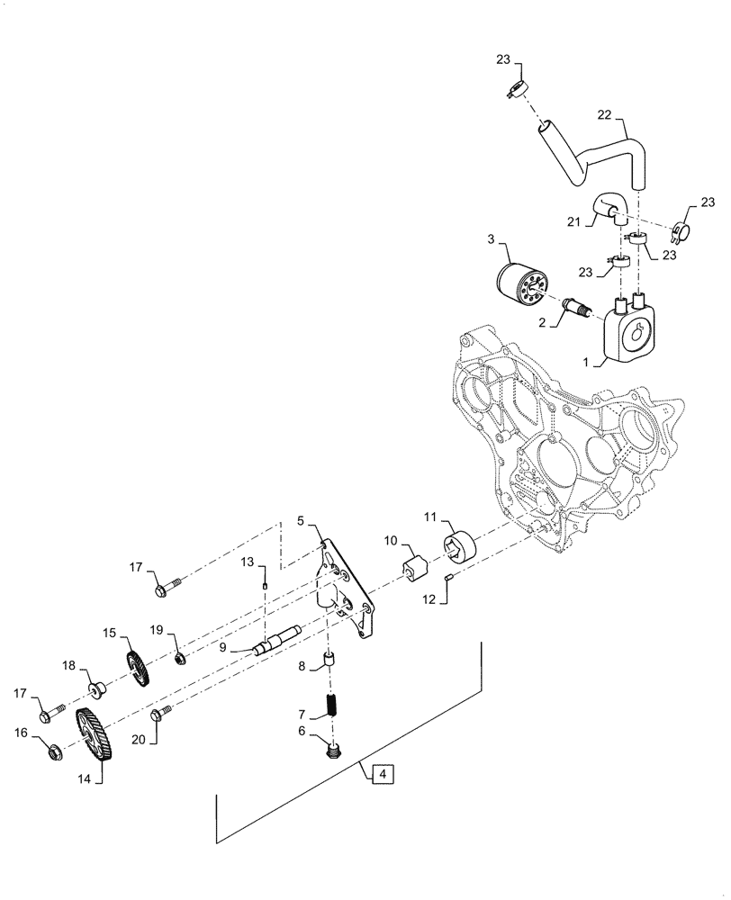
Запчасти Case IH FARMALL 40A (10.114.010) - OIL PUMP & LINES (10) - ENGINE

Схема запчастей Case IH FARMALL 40A - (10.114.010) - OIL PUMP & LINES (10) - ENGINE
23
5
21
6
18
11
8
12
17
22
23
2
4
17
13
20
16
1
7
23
3
9
15
14
19
23
10
FIT
1:1
100%

Артикул

Название

Примечание

Количество

1

MT40336395

OIL COOLER

1шт.

2

MT40009958

HYD CONNECTOR

1шт.

3

MT40318591

ENGINE OIL FILTER

1шт.

4

MT40302985

ENGINE OIL PUMP

Assy Incl 5-13

1шт.

5

MT40302986

COVER

Oil Pump

1шт.

6

MT40302991

COVER

Oil Cap

1шт.

7

MT40302990

CHECK VALVE

Spring Relief

1шт.

8

MT40302989

CHECK VALVE

Piston Relief

1шт.

9

MT40302992

SHAFT

Oil Pump

1шт.

10

MT40302987

TRACK ROLLER

Inner Rotor

1шт.

11

MT40302988

ROTOR

Outer

1шт.

12

MT40098211

PIN,5mm OD x 12mm L

2шт.

13

MT40097977

PIN,3mm OD x 16mm L

1шт.

14

MT40265728

GEAR

Oil Pump

1шт.

15

MT40272410

GEAR

Idler Assy

1шт.

16

MT40097316

FLANGE NUT,Hex, M12 x 1.75

1шт.

17

MT40268193

FLANGE BOLT,Hex, M8 x 1.25 x 30mm

6шт.

18

MT40265594

SHAFT

Idler Gear

1шт.

19

MT40029075

FLANGE NUT,Hex, M8 x 1.25

1шт.

20

MT40268191

FLANGE BOLT,Hex, M8 x 1.25 x 20mm

1шт.

21

MT40266147

HOSE

Oil Cooler In

1шт.

22

MT40350625

HOSE

Oil Cooler Out

1шт.

23

MT40268504

CLAMP

4шт.

Выбрано товаров: 23