Запчасти Case IH FARMALL 40A (27.106.040) - DIFFERENTIAL LOCK - W/MECHANICAL TRANSMISSION (27) - REAR AXLE SYSTEM

Схема запчастей Case IH FARMALL 40A - (27.106.040) - DIFFERENTIAL LOCK - W/MECHANICAL TRANSMISSION (27) - REAR AXLE SYSTEM
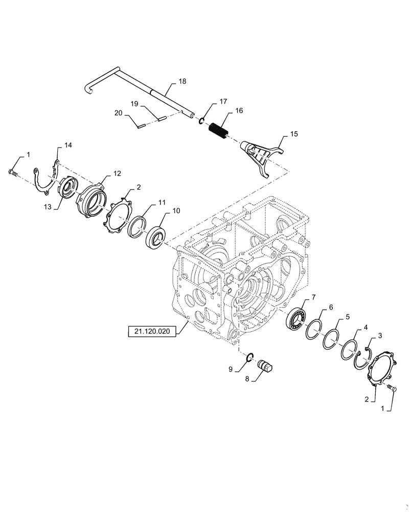
21.120.020
16
17
14
5
10
2
12
9
19
3
6
13
2
15
7
8
4
1
11
20
1
18
FIT
1:1
100%

Артикул

Название

Примечание

Количество

1

MT40028949

BOLT,Hex, M10 x 1.25 x 30mm

6шт.

2

MT40012622

HOLDER,3.20mm Thk

Spring, LH

2шт.

3

MT40029304

SNAP RING,M90

1шт.

4

MT40012429

LINER,73mm ID x 89 mm OD x 0.5mm Thk

3шт.

5

MT40012428

LINER,73mm ID x 89mm OD x 0.2mm Thk

1шт.

6

MT40012427

LINER,73mm ID x 89mm OD x 0.1mm Thk

1шт.

7

MT40012713

BALL BEARING

1шт.

8

MT40010016

ADAPTER,31mm OD x 52mm L

Rear Differential Lock Shaft

1шт.

9

MT40029247

O-RING,2mm Thk x 27.50mm OD

1шт.

10

MT40010341

TAPERED BEARING

1шт.

11

MT40009784

SPACER,77.1mm ID x 89.1mm OD x 12mm L

1шт.

12

MT40010179

SUPPORT

Differential Lock

1шт.

13

MT40010125

SCREW,38mm ID x 85mm OD x 30mm

Differential Lock

1шт.

14

MT40011827

PLATE,1mm Thk

Lock

1шт.

15

MT40009323

FORK

Differential Lock

1шт.

16

MT40011981

SPRING,4.50mm x 21.50mm OD x 98.50mm L

Differential

1шт.

17

MT40029204

O-RING,2.4mm Thk x 15.8mm OD

1шт.

18

MT40228397

PEDAL

Differential Lock, Mech

2шт.

19

MT40029179

PIN,Spring, M8 x 40mm L

1шт.

20

MT40029164

PIN,Spring, M5 x 40mm

1шт.

Выбрано товаров: 20