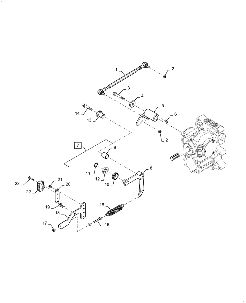
Запчасти Case IH FARMALL 40A (29.200.020) - HYDROSTATIC TRANSMISSION, CONTROL LINK (29) - HYDROSTATIC DRIVE

Схема запчастей Case IH FARMALL 40A - (29.200.020) - HYDROSTATIC TRANSMISSION, CONTROL LINK (29) - HYDROSTATIC DRIVE
6
1
15
22
5
9
20
18
4
16
2
13
17
7
11
3
8
12
10
19
14
2
23
21
FIT
1:1
100%

Артикул

Название

Примечание

Количество

1

MT40297693

ROD

Assy

1шт.

2

MT40027836

NUT

Lock

2шт.

3

MT40028956

BOLT,Hex, M10 x 1.25 x 70mm

1шт.

4

MT40012971

WASHER

1шт.

5

MT40012242

CAM

1шт.

6

MT40097739

KEY,20mm L

1шт.

7

MT40013018

ARM

Assy, Incl 8 - 12

1шт.

8

MT40011442

ARM

Neutral

1шт.

9

MT40012935

BUSHING

1шт.

10

MT40012922

BALL BEARING

1шт.

11

MT40029258

SNAP RING,M10

1шт.

12

MT40028158

WASHER,10.50mm ID x 18mm OD x 2mm Thk

1шт.

13

MT40009880

SHAFT,25.5mm L

Control

1шт.

14

MT40028954

BOLT,M10 x 1.25 x 55mm

1шт.

15

MT40012894

SPRING,2.9mm ID x 22mm OD x 110mm L

1шт.

16

MT40012133

BOLT,8mm OD

1шт.

17

MT40029040

NUT,Hex, M8 x 1.25

2шт.

18

MT40011300

BRACKET,4.5mm Thk

Spring

1шт.

19

MT40028948

BOLT,Hex, M10 x 1.25 x 25mm

1шт.

20

MT40009454

PLATE,4.5mm Thk

1шт.

21

MT40028909

BOLT,Hex, M6 x 1 x 12mm

2шт.

22

MT40007150

MFD SWITCH,125VAC/12A

Neutral

1шт.

23

MT40028709

SCREW,M4 x 0.7 x 30mm

2шт.

Выбрано товаров: 23