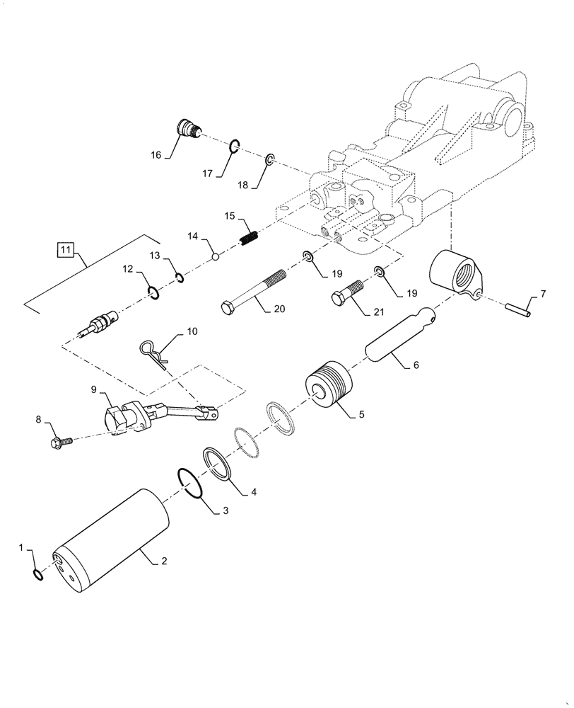
Запчасти Case IH FARMALL 40A (35.116.010) - HYDRAULIC CYLINDER (35) - HYDRAULIC SYSTEMS

Схема запчастей Case IH FARMALL 40A - (35.116.010) - HYDRAULIC CYLINDER (35) - HYDRAULIC SYSTEMS
1
13
6
21
16
8
19
10
17
15
12
5
20
9
2
7
3
11
14
19
4
18
FIT
1:1
100%

Артикул

Название

Примечание

Количество

1

MT40029202

O-RING,2.4mm Thk x 13.8mm ID

1шт.

2

MT40011327

CYLINDER,70mm Bore Dia

1шт.

3

MT40007429

O-RING,71mm ID x 59.6mm OD x 5.7mm L

2шт.

4

MT40008346

BACK-UP RING,60mm ID x 70mm OD x 3mm Thk

2шт.

5

MT40009908

PISTON,70mm ID x 60mm L

1шт.

6

MT40221734

ROD,32mm OD x 183.5mm L

Piston

1шт.

7

MT40029181

PIN,8mm OD x 55mm L

1шт.

8

MT40028967

BOLT,Hex, M6 x 1 x 25mm

2шт.

9

MT40275995

KNOB

Cab

1шт.

9

MT40008136

KNOB

ROPS

1шт.

10

MT40029135

PIN,M16

1шт.

11

MT40008115

VALVE

Assy, Incl 13 & 14

1шт.

12

MT40029202

O-RING,2.4mm Thk x 13.8mm ID

1шт.

13

MT40029195

O-RING,1.9mm Thk x 9.8mm ID

1шт.

14

MT40010340

BALL

Steel

1шт.

15

MT40012356

SPRING,8.6mm OD x 31.5mm L

1шт.

16

MT40008161

VALVE

Safety

1шт.

17

MT40029206

O-RING,2.40mm Thk x 17.80mm ID

1шт.

18

MT40012093

SEAL,10.5mm ID x 18mm OD x 1.0 Thk

1шт.

19

MT40273321

SEAL

3шт.

20

MT40272750

BOLT,M10 x 1.25 x 120mm L

2шт.

21

MT40273203

BOLT,M10 x 1.25 x 120mm L

1шт.

Выбрано товаров: 22