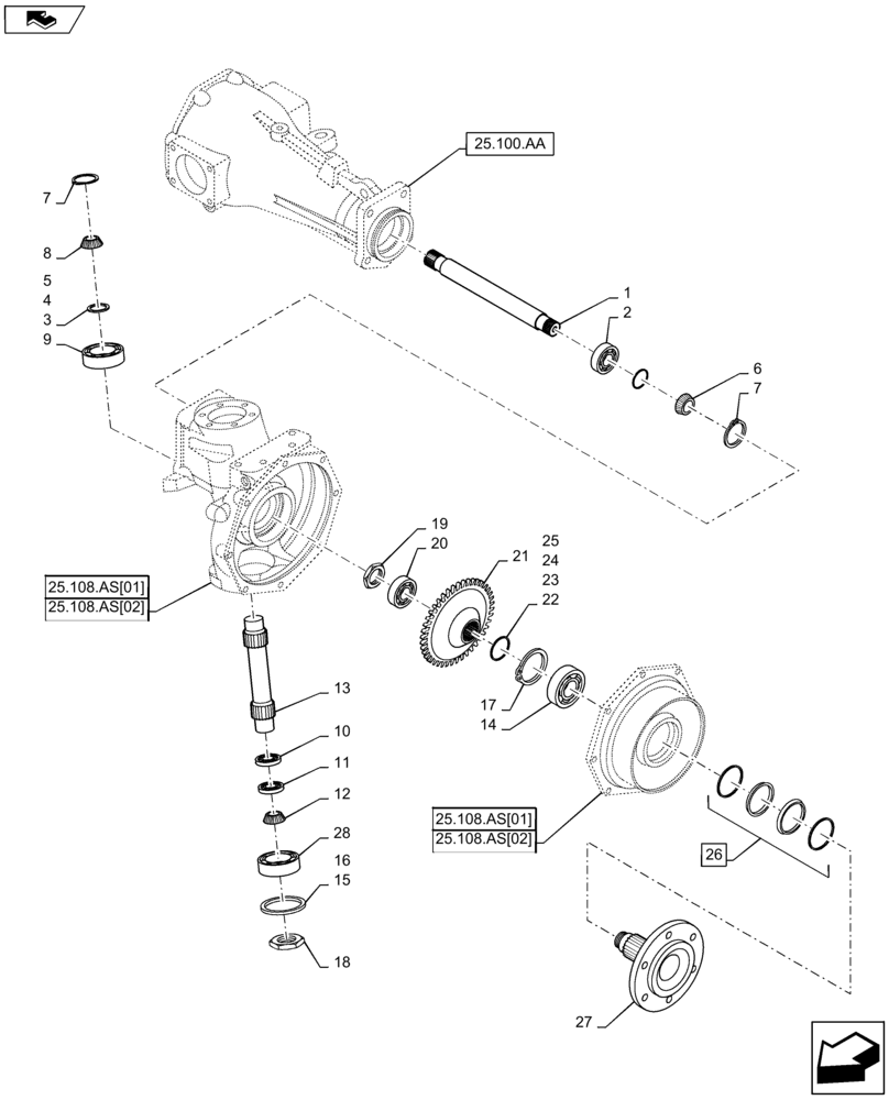
Запчасти Case IH FARMALL 40B (25.108.AA) - FRONT AXLE BREAKDOWN (25) - FRONT AXLE SYSTEM

Схема запчастей Case IH FARMALL 40B - (25.108.AA) - FRONT AXLE BREAKDOWN (25) - FRONT AXLE SYSTEM
3
18
24
14
8
25.108.as[02]
25.108.as[01]
28
16
25.100.aa
7
20
19
6
27
7
25.108.as[02]
22
4
10
15
26
13
11
25
17
25.108.as[01]
2
12
21
home
9
23
5
1
FIT
1:1
100%

Артикул

Название

Примечание

Количество

1

MT40009273

SHAFT,40mm OD x 408mm L

Front Differential, OD40 x 408L

2шт.

2

MT40012720

BALL BEARING

#63070

2шт.

3

MT40012869

LINER

1шт.

4

MT40012870

LINER

1шт.

5

MT40012871

LINER

1шт.

6

MT40036065

GEAR

Bevel, OD92.59 x ID56.833(N14)

2шт.

7

MT40029273

SNAP RING,M30

D30

4шт.

8

MT40036067

GEAR

Bevel, OD96.81 x ID27.5 x CD56.833

2шт.

9

MT40007830

TAPERED BEARING,30mm ID x 62mm OD x 21.25mm

OD62 x ID30 x 21.25L

2шт.

10

MT40009716

THRUST BEARING,42mm ID x 55mm OD x 11.50mm L

OD52.0 x ID37.0 x 12.0L

2шт.

11

MT40010102

SPACER

OD55 x ID42 x 11.5L

2шт.

12

MT40036066

GEAR

Bevel, OD94 x ID27.5 x CD132.89

2шт.

13

MT40009096

SHAFT,30mm OD x 226mm L

King Pin, OD30 x 226L

2шт.

14

MT40012713

BALL BEARING

#62100

2шт.

15

MT40012427

LINER,73mm ID x 89mm OD x 0.1mm Thk

OD89.0 x ID73.0 x 0.7L

1шт.

16

MT40012428

LINER,73mm ID x 89mm OD x 0.2mm Thk

OD89.0 x ID73.0 x 0.2L

1шт.

17

MT40029304

SNAP RING,M90

D90

2шт.

18

MT40009934

NUT,M25 x 1.5 Pitch, 10mm Thk

Lock, M25 x 1.5 x 10L

2шт.

19

MT40009906

NUT

Lock, H50

2шт.

20

MT40012721

BALL BEARING

#63080

2шт.

21

MT40036080

GEAR

(N38)

2шт.

22

MT40012123

LINER,49mm ID x 64mm OD x 0.50mm Thk

OD64.0 x ID49.0 x 0.5L

1шт.

23

MT40012124

LINER,49mm ID x 64mm OD x 0.60mm Thk

OD64.0 x ID49.0 x 0.6L

1шт.

24

MT40059311

LINER

Shim, 0.8T

1шт.

25

MT40012125

LINER,49mm ID x 64mm OD x 0.80mm Thk

OD64.0 x ID49.0 x 0.8L

1шт.

26

MT40007918

SEAL

Group

2шт.

27

MT40036082

SHAFT

Front Axle

2шт.

28

MT40010341

TAPERED BEARING

2шт.

Выбрано товаров: 28