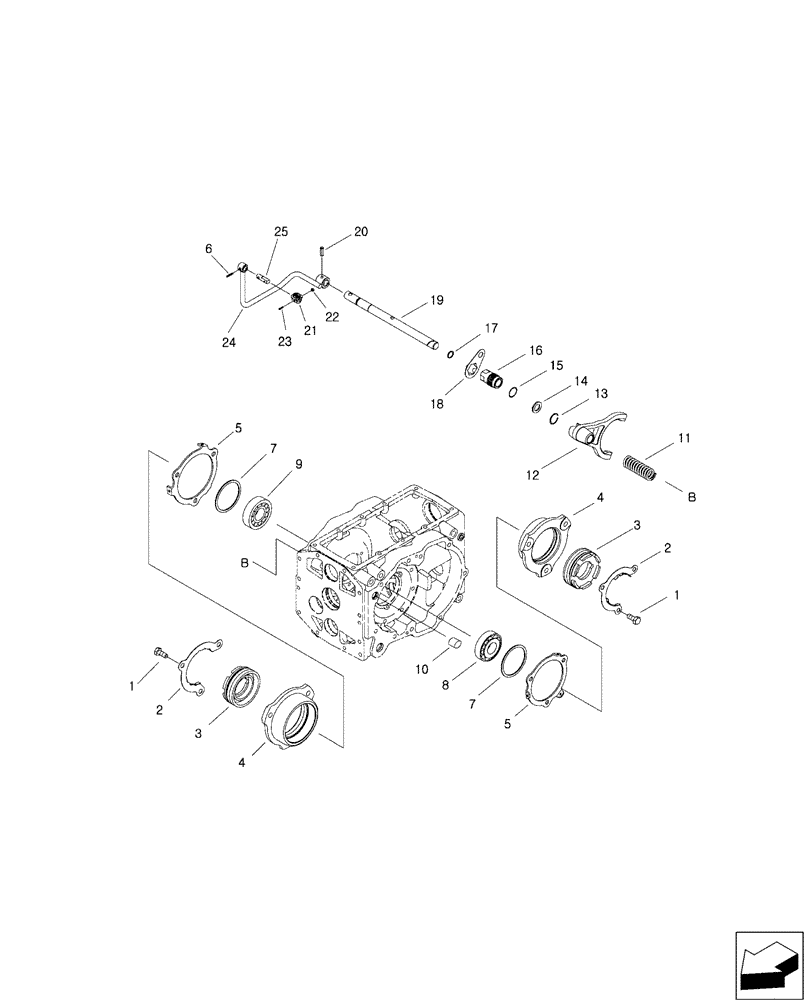
Запчасти Case IH FARMALL 40B (27.106.02) - DIFF-LOCK - 16X16 (27) - REAR AXLE SYSTEM

Схема запчастей Case IH FARMALL 40B - (27.106.02) - DIFF-LOCK - 16X16 (27) - REAR AXLE SYSTEM
24
7
20
9
22
14
4
11
18
1
7
13
16
17
25
12
3
6
3
2
2
19
10
4
21
23
1
8
5
5
15
FIT
1:1
100%

Артикул

Название

Примечание

Количество

1

MT40029523

BOLT,Hex, M10 x 1.25 x 25mm

Hex, M10 x 1.25P x 25L

6шт.

2

MT40011827

PLATE,1mm Thk

Lock, 1T

2шт.

3

MT40010125

SCREW,38mm ID x 85mm OD x 30mm

OD85.0 x ID38.0 x 30.0L

2шт.

4

MT40009869

SUPPORT

Differential

2шт.

5

MT40012622

HOLDER,3.20mm Thk

Spring LH, 3.2T

2шт.

6

MT40029168

PIN,6mm OD x 25mm L

Spring, D6 x 25L

1шт.

7

MT40009787

SPACER,77.10mm ID x 89.10mm OD x 2.30mm

OD89.1 x ID77.1 x 2.3T

2шт.

8

MT40010341

TAPERED BEARING

Taper

1шт.

9

MT40012713

BALL BEARING

#62100

1шт.

10

MT40012282

CAP,.8mm Thk

Rail, 0.8T

1шт.

11

MT40011981

SPRING,4.50mm x 21.50mm OD x 98.50mm L

Differential, D4.5 x D21.5 x 98.5L

1шт.

12

MT40009321

FORK

Differential Lock

1шт.

13

MT40029306

SNAP RING,M20

D20

1шт.

14

MT40012099

WASHER,20.50mm ID x 27.50mm OD x 2.30mm Thk

OD27.5 x ID20.5 x 2.3T

1шт.

15

MT40029247

O-RING,2mm Thk x 27.50mm OD

D27.5 x W2

1шт.

16

MT40010015

ADAPTER,31mm OD x 52mm L

Rear Differential Shaft, OD31 x 52L

1шт.

17

MT40029204

O-RING,2.4mm Thk x 15.8mm OD

D27.5 x W2.4

1шт.

18

MT40011826

PLATE

Lock, 1T

1шт.

19

MT40010002

SHAFT,20mm OD x 320mm L

Differential Lock, OD20 x 320L

1шт.

20

MT40029179

PIN,Spring, M8 x 40mm L

Spring, D8 x 40L

1шт.

21

MT40008381

PEDAL

Differential

1шт.

22

MT40029071

FLANGE NUT,Hex, M4 x 0.7

Flange, M4 x P0.7

1шт.

23

MT40028692

SCREW

Cross Rd, M4 x 1.7 x 25L

1шт.

24

MT40051026

LEVER

Differential Lock

1шт.

25

MT40123159

LEVER

Differential Lock

1шт.

Выбрано товаров: 0