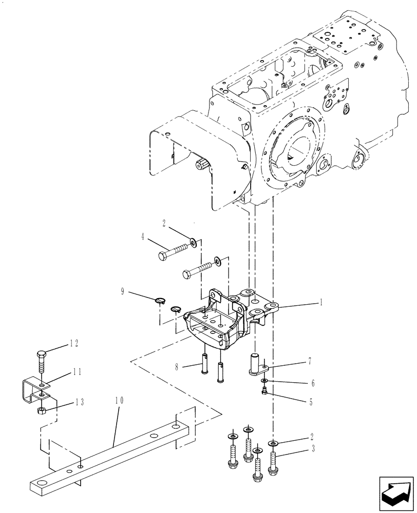
Запчасти Case IH FARMALL 40B CVT (37.100.AA) - DRAWBAR (37) - HITCHES, DRAWBARS & IMPLEMENT COUPLINGS

Схема запчастей Case IH FARMALL 40B CVT - (37.100.AA) - DRAWBAR (37) - HITCHES, DRAWBARS & IMPLEMENT COUPLINGS
12
2
5
6
3
1
2
7
13
4
9
10
8
11
FIT
1:1
100%

Артикул

Название

Примечание

Количество

1

84146535

DRAWBAR SUPPORT

1шт.

2

140048

BELLEVILLE WASHER,M16 Bolt Size x 32mm OD x 2.8mm Thk

6шт.

3

86509867

BOLT,Hex Flg, M16 x 40mm

4шт.

4

87573374

BOLT,Hex, M16 x 55mm, Cl 8.8

Bolt, Hex Hd M16x55 CL 8.8

2шт.

5

86508583

BOLT,Hex, M16 x 35mm, Cl 8.8, Full Thd

4шт.

6

140045

BELLEVILLE WASHER,M10 Bolt Size x 22mm OD x 1.6mm Thk

1шт.

7

87673655

PIN,25.4mm OD x 69.85mm L

Drawbar Pivot

1шт.

8

86524789

CLEVIS PIN,15mm OD x 71.12mm L

Drawbar Position

2шт.

9

86508947

LINCH PIN,18.8mm OD

Klik

2шт.

10

87387207

DRAWBAR

Bar, Drawbar

1шт.

11

87396628

SUPPORT

Bracket, Safety Chain Support

1шт.

12

120091

SCREW,Hex, M16 x 60mm, Cl 8.8

1шт.

13

100020

NUT,M16 x 2.0, Cl 8

1шт.

Выбрано товаров: 13