Запчасти Case IH FARMALL 40B CVT (90.100.AC[02]) - AIR DEFLECTOR FAN GUARD, 75 AMP ALTERNATOR (90) - PLATFORM, CAB, BODYWORK AND DECALS

Схема запчастей Case IH FARMALL 40B CVT - (90.100.AC[02]) - AIR DEFLECTOR FAN GUARD, 75 AMP ALTERNATOR (90) - PLATFORM, CAB, BODYWORK AND DECALS
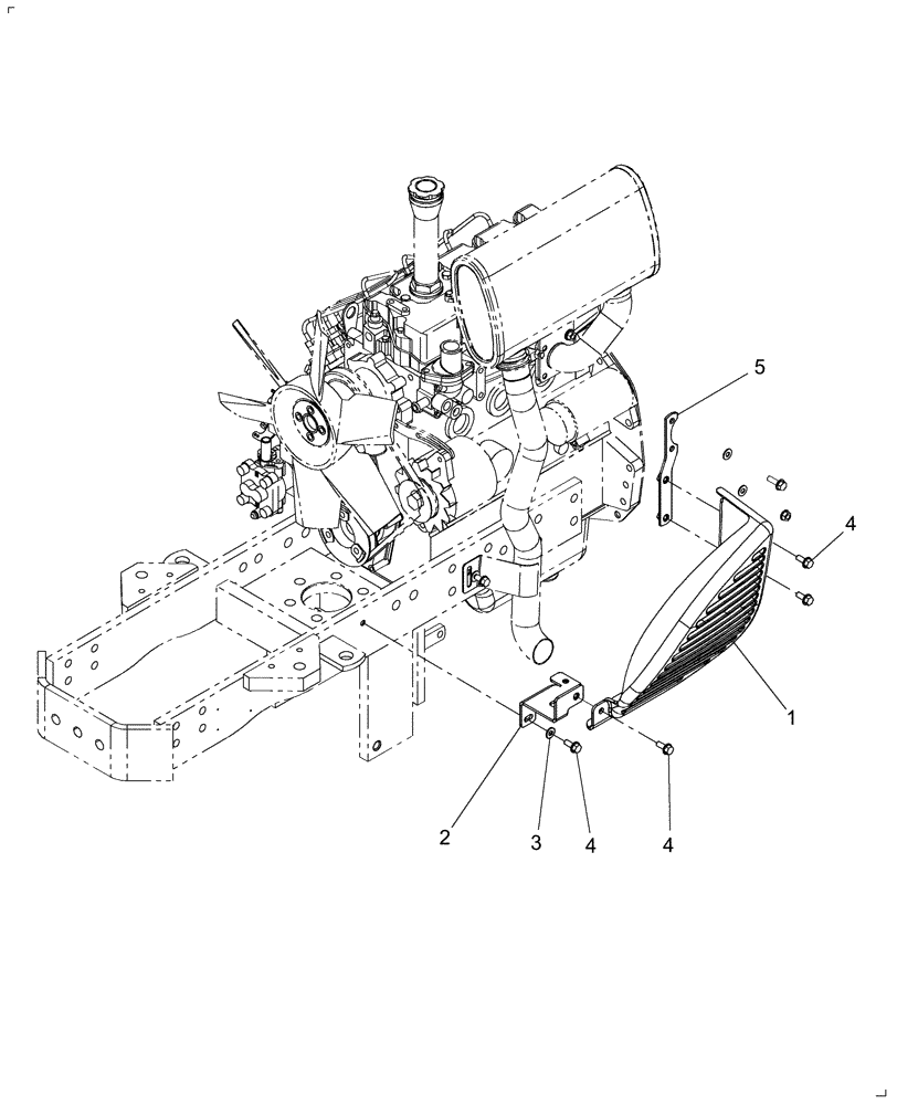
5
3
4
4
2
4
1
FIT
1:1
100%

Артикул

Название

Примечание

Количество

1

84152124

OUTER SHIELD

Shield, RH Outer Fan

1шт.

2

87738699

INNER SHIELD

Shield, RH Inner Fan

1шт.

3

322358

BELLEVILLE WASHER,M8 Bolt Size x 18mm OD x 1.4mm Thk

2шт.

4

86511841

BOLT,Flng, M8 x 1.25 x 16mm, Full Thd, Cl 8.8

1шт.

5

87739868

BRACKET

Air Filter Mount

1шт.

6

87728795

BRACKET

Support, Air Compressor

1шт.

7

87728790

BRACKET

Air Compressor Mounting

1шт.

8

86400620

ISOLATOR

2шт.

9

86549853

WASHER,8.4mm ID x 28mm OD x 3mm Thk

2шт.

10

9804277

FLANGE NUT,Hex, M8 x 1.25, Cl 8

2шт.

11

9804260

BOLT,Hex, M8 x 1.25 x 30mm, Full Thd, Cl 8.8

2шт.

12

9671714

FLANGE BOLT,Hex, M8 x 1.25 x 25mm, Cl 8.8

BOOMER 3045

4шт.

13

86629542

NUT,M8 x 1.25, Cl 8.8

2шт.

14

43233

BOLT,Hex, M8 x 1.25 x 20mm, Full Thd, Cl 10.9

1шт.

Выбрано товаров: 14