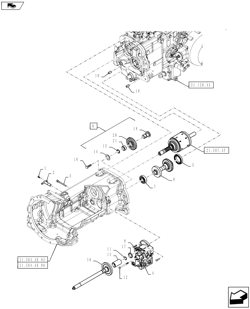
Запчасти Case IH FARMALL 40B CVT (21.504.AK[04]) - FRONT HOUSING (21) - TRANSMISSION

Схема запчастей Case IH FARMALL 40B CVT - (21.504.AK[04]) - FRONT HOUSING (21) - TRANSMISSION
21.504.ak 06
17
10
15
8
9
11
14
21
31.120.aa
13
19
10
21.504.ak 05
4
home
1
21.507.af
6
7
5
16
12
2
3
18
20
FIT
1:1
100%

Артикул

Название

Примечание

Количество

1

GRT71970

BOLT

M6 x 14 CL 8.8

1шт.

2

GRT3347393

Inductive Speed

1шт.

3

GRT3458583

PIN

Idler Gear Fixing

1шт.

4

47361912

MANIFOLD

Shuttle Clutch Hydraulic Block

1шт.

5

GRT72482

ROLLER BEARING

55 x 80 x 13

1шт.

6

GRT3346173

SHAFT

Primary Pulley Input

1шт.

7

GRT3478403

ROLLER BEARING,25mm ID x 62mm OD x 17mm W

25 x 62 x 17

1шт.

8

GRT3541863

RW Idler Gear

1шт.

9

GRT70186

BOLT

M8 x 30 CL 8.8

2шт.

10

NS

NOT SERVICED

Dowel

2шт.

11

GRT72492

RING

Retaining

1шт.

12

GRT70744

BOLT

M8 x 90 CL 8.8

1шт.

13

GRT3346203

COUPLING

Engine Shaft/Shuttle Clutch

1шт.

14

GRT3346413

WASHER

RW Idler Gear

1шт.

15

GRT72504

O-RING

Seal 2.62 x 23.47

1шт.

16

GRT3VT03013

SHAFT

Engine Input Incl Gear & Circlip

1шт.

17

GRT72152

SEAL

28 x 38 x 7

1шт.

18

GRT70277

BOLT

M12 x 40 CL 10.9

12шт.

19

84394740

SHAFT

SHAFT

1шт.

20

84394737

GEAR

RW IDLER GEAR

1шт.

21

84572700

NEEDLE BEARING CAGE

NEDDLE ROLLER CAGE

2шт.

Выбрано товаров: 21