Запчасти Case IH FARMALL 40B CVT (21.504.AK[05]) - FRONT HOUSING 40 HP (21) - TRANSMISSION

Схема запчастей Case IH FARMALL 40B CVT - (21.504.AK[05]) - FRONT HOUSING 40 HP (21) - TRANSMISSION
20
16
3
14
12
10
4
13
21
13
8
2
15
1
9
17
9
6
18
11
home
12
5
22
7
19
FIT
1:1
100%

Артикул

Название

Примечание

Количество

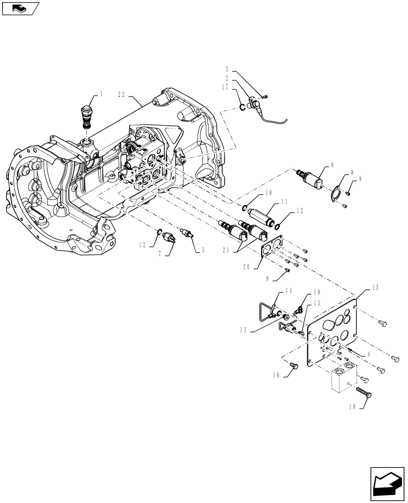
1

GRT3347423

VALVE PRESSURE RELIE

18BAR

1шт.

2

GRT3522783

SENSOR

Sensor, Hall Effect

1шт.

3

GRT71970

BOLT

M6 x 14 CL 8.8

1шт.

4

GRT71736

SCREW

M4 x 10 CL 8.8

6шт.

5

82028133

SENSOR,3/8"-18

1шт.

6

87416918

SOLENOID

Dump Valve

1шт.

7

GRT3347813

PRESSURE SWITCH

Pressure Switch

1шт.

8

GRT3347843

1шт.

9

GRT70737

SCREW

M6 x 10 CL 8.8

8шт.

10

GRT3347743

BANJO FITTING

1шт.

11

GRT3347753

ADAPTER

Shuttle Clutch Washing Pipe

1шт.

Metallic Sealing Ring At The End Of Tube. Parker # DKA08CF-Steel

1шт.

12

GRT70460

O-RING

1.78 x 15.6

2шт.

13

GRT3474263

PLUG

Threaded With O-Ring

2шт.

14

GRT3465543

TUBE

Diagnostic Forward

1шт.

15

47361909

SHIELD

Shuttle Clutch Hydraulic Block Shield

1шт.

16

GRT70011

BOLT

M10 x 20 CL 8.8

5шт.

17

47136259

O-RING,3mm Thk x 17.2mm ID, 72 Duro

1шт.

18

GRT71387

BOLT

M10 x 55 CL 8.8

1шт.

19

GRT3465553

TUBE

Diagnostic Reverse

1шт.

20

NS

NOT SERVICED

Fixing Plate Valve

1шт.

21

87739558

SOLENOID VALVE,14W

Proportional Valve

2шт.

21

87739558R

REMAN-SOLENOID

Proportional Valve

2шт.

21

87739558C

CORE-SOLENOID

Return Number

2шт.

22

GRT3VT03543

Front Housing Assy (40 hp)

1шт.

Выбрано товаров: 25