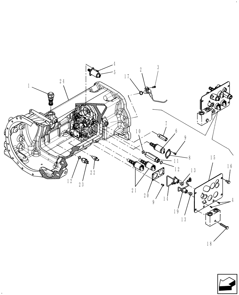
Запчасти Case IH FARMALL 40B CVT (21.504.AK[06]) - FRONT HOUSING 45 HP & 50 HP (21) - TRANSMISSION

Схема запчастей Case IH FARMALL 40B CVT - (21.504.AK[06]) - FRONT HOUSING 45 HP & 50 HP (21) - TRANSMISSION
11
13
2
17
14
7
4
3
15
6
1
13
20
4
9
5
12
12
9
18
22
16
21
8
19
10
FIT
1:1
100%

Артикул

Название

Примечание

Количество

1

GRT3347423

VALVE PRESSURE RELIE

18BAR

1шт.

2

84169162

SENSOR

Hall Effect

1шт.

3

GRT71970

BOLT

M6 x 14 CL 8.8

1шт.

4

GRT71736

SCREW

M4 x 10 CL 8.8

6шт.

5

GRT3484363

VALVE

PIV

1шт.

6

87416918

SOLENOID

Valve, Dump

1шт.

7

GRT3347743

BANJO FITTING

1шт.

8

NS

NOT SERVICED

Plate, Dump Valve Fixing

1шт.

9

GRT70737

SCREW

M6 x 10 CL 8.8

8шт.

10

GRT3474333

O-RING

Seal 15.4 x 2.1

1шт.

11

GRT3347753

ADAPTER

Shuttle Clutch Washing Pipe

1шт.

12

GRT70460

O-RING

1.78 x 15.6

2шт.

Metallic Sealing Ring At The End Of Tube. Parker # DKA08CF-Steel

1шт.

13

GRT3474263

PLUG

Threaded With O-Ring

2шт.

14

GRT3465543

TUBE

Diagnostic Forward

1шт.

15

47361909

SHIELD

Shuttle Clutch Hydraulic Block Shield

1шт.

16

GRT70011

BOLT

M10 x 20 CL 8.8

5шт.

17

47136259

O-RING,3mm Thk x 17.2mm ID, 72 Duro

3 x 7.2

1шт.

18

GRT71387

BOLT

M10 x 55 CL 8.8

1шт.

19

GRT3465553

TUBE

Diagnostic Reverse

1шт.

20

NS

NOT SERVICED

Valve, Fixing Plate

1шт.

21

87739558

SOLENOID VALVE,14W

Proportional Valve

2шт.

87739558R

REMAN-SOLENOID

Boomer 3045, Boomer 3050, All w/ Easydrive/CVT Trans. w/Cab, N.A. Only

1шт.

87739558C

CORE-SOLENOID

Return Number, For N.A. Only

1шт.

22

GRT3VT03553

HOUSING

Front (45/50 HP)

1шт.

23

GRT3347813

PRESSURE SWITCH

1шт.

24

GRT3347803

VALVE

Temp Sensor

1шт.

25

GRT3VT01313

TRANSMISSION HOUSING

Front

1шт.

Выбрано товаров: 28