Запчасти Case IH FARMALL 40C (27.106.030) - DIFFERENTIAL LOCK - W/ HST TRANSMISSION (27) - REAR AXLE SYSTEM

Схема запчастей Case IH FARMALL 40C - (27.106.030) - DIFFERENTIAL LOCK - W/ HST TRANSMISSION (27) - REAR AXLE SYSTEM
21.120.020
1
4
22
13
15
23
24
1
18
19
3
17
2
8
21
6
14
12
2
10
25
20
16
5
9
22
25
7
11
FIT
1:1
100%

Артикул

Название

Примечание

Количество

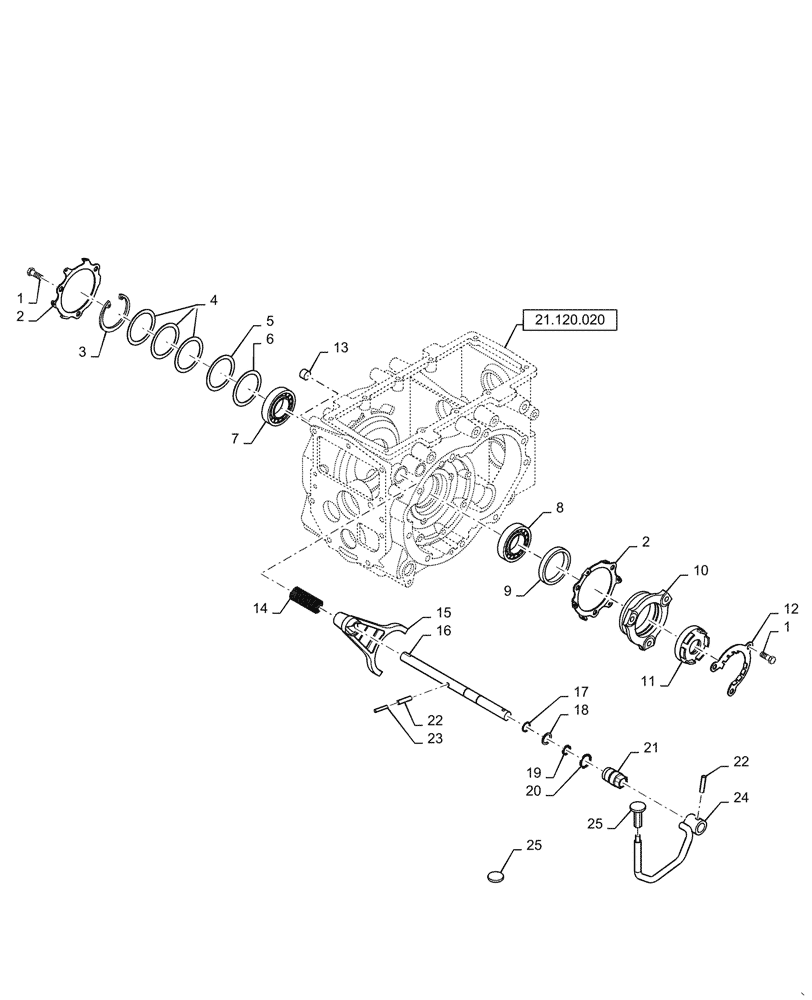
1

MT40028949

BOLT,Hex, M10 x 1.25 x 30mm

6шт.

2

MT40012622

HOLDER,3.20mm Thk

Spring, LH

2шт.

3

MT40029304

SNAP RING,M90

1шт.

4

MT40012429

LINER,73mm ID x 89 mm OD x 0.5mm Thk

3шт.

5

MT40012428

LINER,73mm ID x 89mm OD x 0.2mm Thk

1шт.

6

MT40012427

LINER,73mm ID x 89mm OD x 0.1mm Thk

1шт.

7

MT40012713

BALL BEARING

1шт.

8

MT40010341

TAPERED BEARING

1шт.

9

MT40009784

SPACER,77.1mm ID x 89.1mm OD x 12mm L

1шт.

10

MT40010179

SUPPORT

Differential Lock

1шт.

11

MT40010125

SCREW,38mm ID x 85mm OD x 30mm

Differential Lock

1шт.

12

MT40011827

PLATE,1mm Thk

Lock

1шт.

13

MT40012282

CAP,.8mm Thk

Rail

1шт.

14

MT40011981

SPRING,4.50mm x 21.50mm OD x 98.50mm L

Differential Lock

1шт.

15

MT40009323

FORK

Differential Lock

1шт.

16

MT40009647

SHAFT,20mm OD x 338.5mm L

Differential Lock

1шт.

17

MT40029306

SNAP RING,M20

1шт.

18

MT40012099

WASHER,20.50mm ID x 27.50mm OD x 2.30mm Thk

1шт.

19

MT40029204

O-RING,2.4mm Thk x 15.8mm OD

1шт.

20

MT40029247

O-RING,2mm Thk x 27.50mm OD

1шт.

21

MT40010015

ADAPTER,31mm OD x 52mm L

Rear Differential Shaft

1шт.

22

MT40029179

PIN,Spring, M8 x 40mm L

Spring

2шт.

23

MT40029164

PIN,Spring, M5 x 40mm

Spring

1шт.

24

MT40255072

PEDAL

Differential Lock, HST

1шт.

25

MT40012247

FOOT

Differential Lock, ROPS, Flat

1шт.

25

MT40277910

PEDAL

Differential Lock, CAB, W/ Shank

1шт.

Выбрано товаров: 26