Запчасти Case IH FARMALL 40C (33.120.050) - BRAKE PEDALS, REAR, STANDARD, HST TRANSMISSION (33) - BRAKES & CONTROLS

Схема запчастей Case IH FARMALL 40C - (33.120.050) - BRAKE PEDALS, REAR, STANDARD, HST TRANSMISSION (33) - BRAKES & CONTROLS
12
11
24
5
3
12
20
9
18
13
1
11
16
4
27
11
33.120.00 01
8
2
26
4
13
10
13
17
13
12
19
15
29.202.aj 01
28
21.110.ab 03
6
23
21
25
22
16
19
14
33.120.00 01
7
23
3
7
FIT
1:1
100%

Артикул

Название

Примечание

Количество

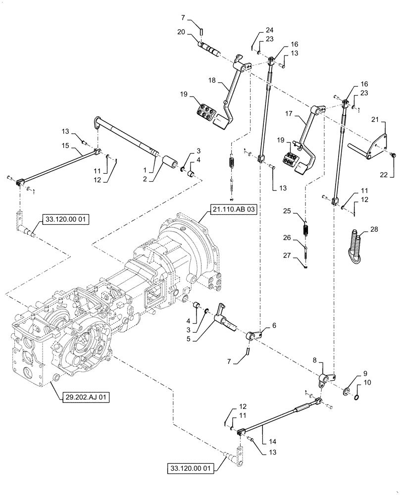
1

MT40011965

SHAFT,25mm OD x 469mm L

Brake Pedal

1шт.

2

MT40010069

SPACER,25mm ID x 45mm OD x 74mm L

1шт.

3

MT40029211

O-RING,3.50mm Thk x 24.70mm ID

2шт.

4

MT40009874

BUSHING

2шт.

5

MT40011354

ARM

Parking Brake

1шт.

6

MT40012055

ARM

Brake, LH

1шт.

7

MT40029179

PIN,Spring, M8 x 40mm L

Spring

2шт.

8

MT40012405

ARM

Brake, LH

1шт.

9

MT40028184

WASHER,25mm ID x 44mm OD x 4mm Thk

Plain

1шт.

10

MT40029271

SNAP RING,M25

1шт.

11

MT40028171

WASHER,10.5mm ID x 21mm OD x 2mm Thk

Plain

6шт.

12

MT40029121

PIN,25mm OD x 20mm L

Split

6шт.

13

MT40009617

PIN,10mm ID x 14mm OD x 26mm L

8шт.

14

MT40012058

ROD

Brake

1шт.

15

MT40285862

ROD

Assy, Brake, LH, HST

1шт.

16

MT40268929

ROD,638mm L

Assy, Brake

2шт.

17

MT40278701

PEDAL

Brake, RH, HST

1шт.

18

MT40278000

PEDAL

Brake, LH, HST

1шт.

19

MT40278260

PEDAL

Rubber Pad

2шт.

20

MT40268236

SHAFT,26mm OD x 138.5mm L

Brake Pedal

1шт.

21

MT40268235

STOP

Clutch Pedal

1шт.

22

MT40012735

CLAMP,10mm W x 95mm L

1шт.

23

MT40029006

BOLT,Hex, M8 x 1.25 x 20mm

3шт.

24

MT40028158

WASHER,10.50mm ID x 18mm OD x 2mm Thk

Plain

2шт.

25

MT40029122

PIN,Split, M30 x 20mm L

Split

2шт.

26

MT40011959

SPRING,16mm x 2.30mm Dia x 80mm L

2шт.

27

MT40012132

BOLT,Adj, 8mm OD

Adjuster

2шт.

28

MT40012797

NUT,M8 x 1.25

2шт.

29

MT40278914

GROMMET

Brake Rod

1шт.

Выбрано товаров: 29