Запчасти Case IH FARMALL 40C (37.108.AC[01]) - HYDRAULIC HOUSING LEVER, FARMALL 40C, 50C (37) - HITCHES, DRAWBARS & IMPLEMENT COUPLINGS

Схема запчастей Case IH FARMALL 40C - (37.108.AC[01]) - HYDRAULIC HOUSING LEVER, FARMALL 40C, 50C (37) - HITCHES, DRAWBARS & IMPLEMENT COUPLINGS
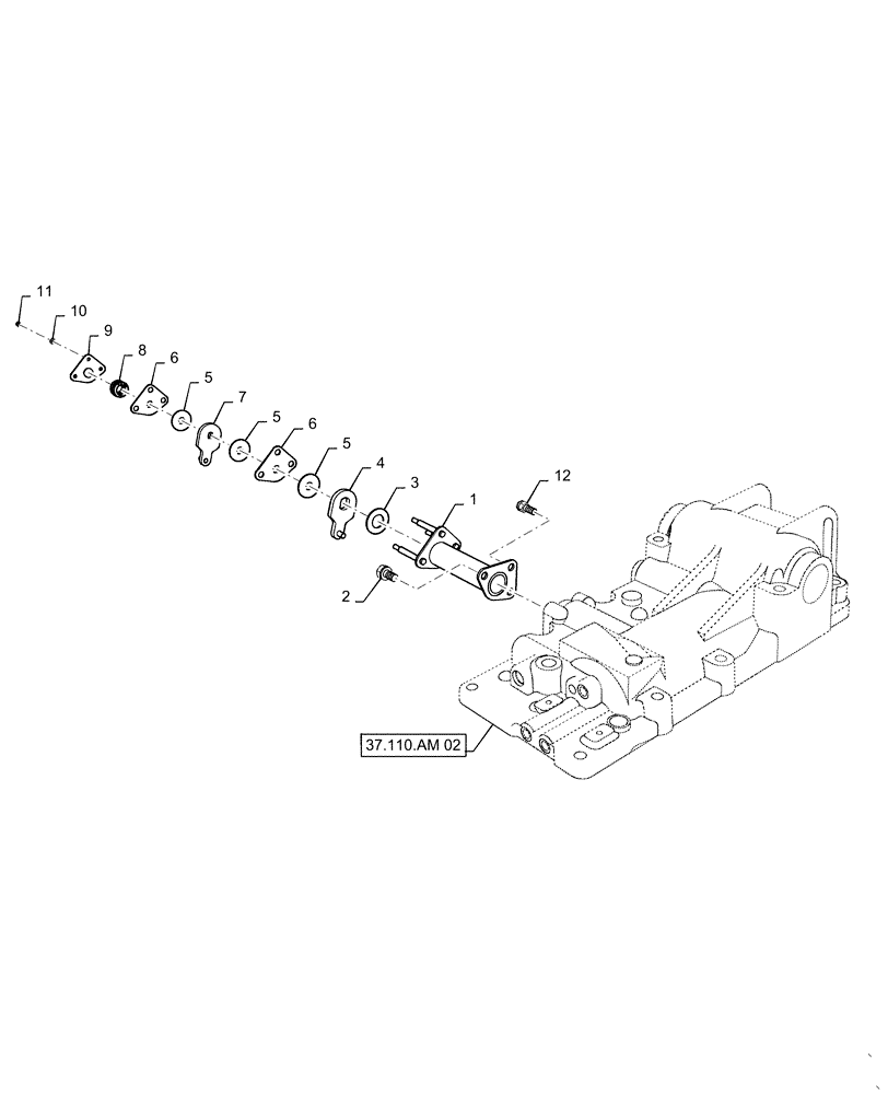
37.110.am 02
8
11
9
6
2
4
5
7
3
10
1
6
12
5
5
FIT
1:1
100%

Артикул

Название

Примечание

Количество

1

MT40297719

BRACKET

1шт.

2

MT40028947

BOLT,Hex, M10 x 1.25 x 20mm

2шт.

3

MT40006943

PLATE,21mm ID x 40mm OD x 2mm Thk

1шт.

4

MT40255618

ARM

1шт.

5

MT40006942

PLATE,13mm ID x 40mm OD x 2mm Thk

3шт.

6

MT40012316

PLATE,3.2mm Thk

2шт.

7

MT40255619

ARM

1шт.

8

MT40012375

SPRING,27mm OD x 23mm L

1шт.

9

MT40011868

COVER,3.2mm Thk

1шт.

10

MT40029543

WASHER,6.10mm ID x 12.20mm OD x 1.50mm Thk

3шт.

11

MT40028763

NUT,M6 x 1.0

3шт.

12

MT40293866

BOLT,M10 x 1.25 x 20mm

1шт.

Выбрано товаров: 12