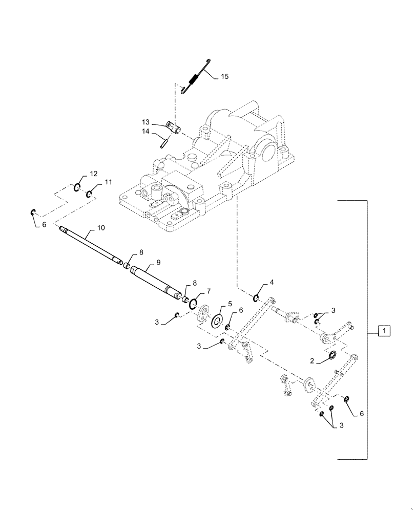
Запчасти Case IH FARMALL 40C (37.120.AL[01]) - POSITION & DRAFT CONTROL LINK, FARMALL 40C, 50C (37) - HITCHES, DRAWBARS & IMPLEMENT COUPLINGS

Схема запчастей Case IH FARMALL 40C - (37.120.AL[01]) - POSITION & DRAFT CONTROL LINK, FARMALL 40C, 50C (37) - HITCHES, DRAWBARS & IMPLEMENT COUPLINGS
15
3
14
5
8
11
10
6
6
4
12
3
9
13
2
6
3
1
3
7
8
FIT
1:1
100%

Артикул

Название

Примечание

Количество

1

MT40008052

LINK

Assy, Sub, Incl 2 - 10

1шт.

2

MT40029318

SNAP RING,M9

1шт.

3

MT40029314

SNAP RING,M6

6шт.

4

MT40029193

O-RING,1.9mm Thk x 8.8mm ID

1шт.

5

MT40007809

RING,16.5mm ID x 21.9mm OD x 1.2mm Thk

1шт.

6

MT40029259

SNAP RING,M12

3шт.

7

MT40029204

O-RING,2.4mm Thk x 15.8mm OD

1шт.

8

MT40012724

BUSHING

2шт.

9

MT40027839

SHAFT,21.7mm OD x 4.5mm Thk

Draft

1шт.

10

MT40009892

SHAFT,12mm OD x 239.8mm L

Position

1шт.

11

MT40029194

O-RING,9.8mm ID x 2.4mm Thk

1шт.

12

MT40007806

RING,10mm ID x 12mm OD x 0.7mm Thk

1шт.

13

MT40012152

ARM

Draft Control

1шт.

14

MT40029157

PIN,4mm OD x 20mm L

Spring

1шт.

15

MT40012357

SPRING,1.4mm ID x 9mm OD x 103mm L

1шт.

Выбрано товаров: 15