Запчасти Case IH FARMALL 40C (90.151.AK) - INSIDE REAR VIEW MIRROR (90) - PLATFORM, CAB, BODYWORK AND DECALS

Схема запчастей Case IH FARMALL 40C - (90.151.AK) - INSIDE REAR VIEW MIRROR (90) - PLATFORM, CAB, BODYWORK AND DECALS
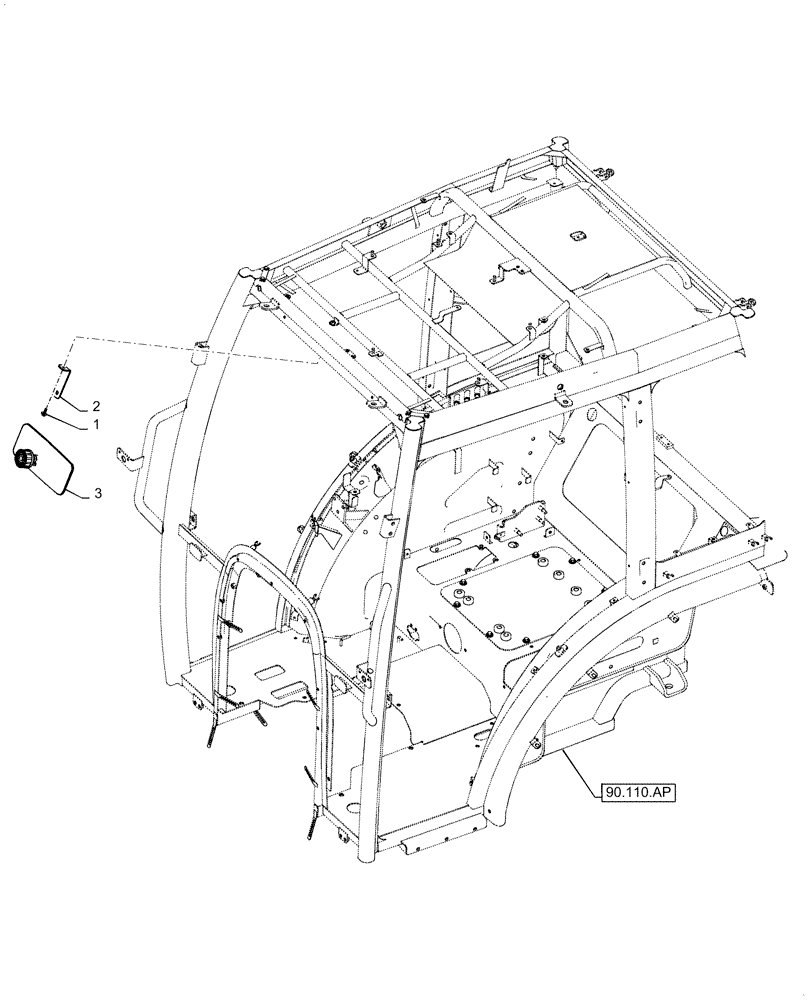
90.110.ap
1
3
2
FIT
1:1
100%

Артикул

Название

Примечание

Количество

1

MT40029000

SCREW,Hex, M6 x 1.0 x 20mm

1шт.

2

MT40260588

BRACKET

Room Mirror

1шт.

3

MT40260614

REAR VIEW MIRROR

Assembly, Room

1шт.

Выбрано товаров: 3