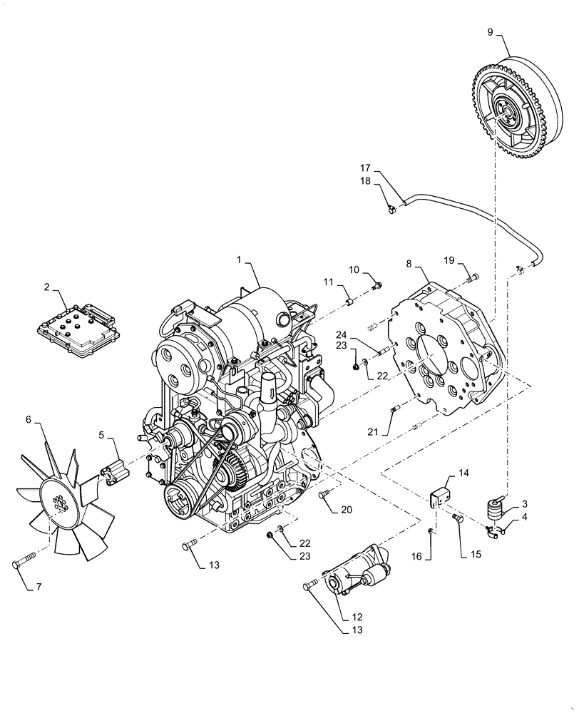
Запчасти Case IH FARMALL 40C (10.001.AD[02]) - ENGINE, FARMALL 40C, 50C (10) - ENGINE

Схема запчастей Case IH FARMALL 40C - (10.001.AD[02]) - ENGINE, FARMALL 40C, 50C (10) - ENGINE
21
1
13
22
2
16
11
23
13
10
22
17
14
12
23
15
4
5
24
3
9
19
7
18
20
6
8
FIT
1:1
100%

Артикул

Название

Примечание

Количество

1

MT40263347

ENGINE

40hp

1шт.

1

MT40263343

ENGINE

40hp

1шт.

2

MT40278791

CONTROLLER

1шт.

3

MT40279917

FILTER ASSY

Pre - Fuel

1шт.

4

MT40279920

BRACKET

Filter

1шт.

5

MT40266416

SPACER

Cooling

1шт.

6

MT40316133

FAN

Cooling

1шт.

7

MT40028932

BOLT,Hex, M8 x 1.25 x 75mm

4шт.

8

MT40281669

HOUSING

Flywheel

1шт.

9

MT40281670

FLYWHEEL

Engine

1шт.

10

MT40028925

BOLT,Hex, M8 x 1.25 x 35mm

2шт.

11

MT40284423

PIPE

2шт.

12

MT40266048

STARTER MOTOR

1шт.

13

MT40094018

BOLT,M10 x 1.5 x 40mm

2шт.

14

MT40279078

BRACKET

Pre - Fuel Filter

1шт.

15

MT40028936

BOLT,M10 x 1.5 x 20mm

2шт.

16

MT40029067

NUT,M6 x 1

1шт.

17

MT40281298

HOSE

Fuel, Suction

1шт.

18

MT40012020

HOSE CLAMP,8mm -16mm

2шт.

19

MT40028940

BOLT,Hex, M12 x 1.75 x 40mm

2шт.

20

MT40028937

BOLT,Hex, M10 x 1.5 x 25mm

4шт.

21

MT40267411

BOLT,M10 x 1.5 x 32mm

Stud

2шт.

22

MT40029549

WASHER,10.20mm ID x 18.40mm OD x 2.50mm Thk

2шт.

23

MT40096487

FLANGE NUT,M10 x 1.5

2шт.

24

MT40028925

BOLT,Hex, M8 x 1.25 x 35mm

2шт.

25

MT40094022

BOLT

M10 x 1.5 x 45mm

6шт.

Выбрано товаров: 26