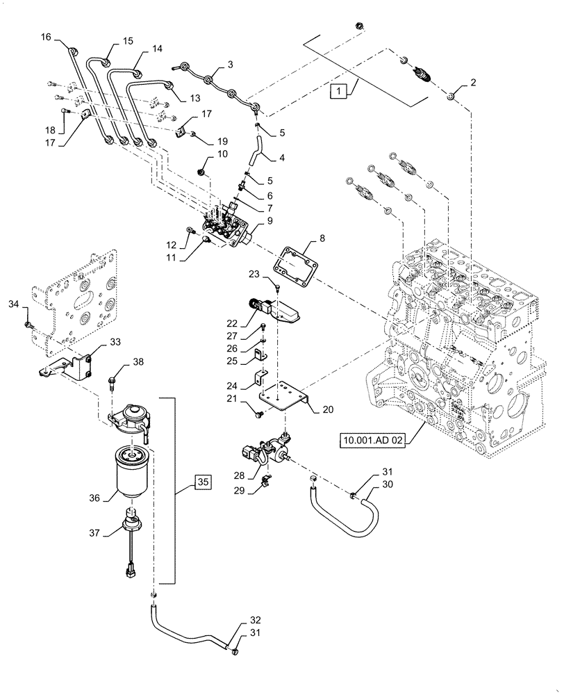
Запчасти Case IH FARMALL 40C (10.218.00[02]) - FUEL LINE AND INLINE FILTER, FARMALL 40C, 50C (10) - ENGINE

Схема запчастей Case IH FARMALL 40C - (10.218.00[02]) - FUEL LINE AND INLINE FILTER, FARMALL 40C, 50C (10) - ENGINE
17
22
9
34
35
31
15
10
38
28
7
8
29
25
16
3
14
31
21
2
20
12
19
17
32
33
10.001.ad 02
36
6
18
23
5
30
5
11
37
24
1
13
4
27
26
FIT
1:1
100%

Артикул

Название

Примечание

Количество

1

MT40285496

FUEL SYSTEM INJECTOR

4шт.

2

MT40151428

GASKET

4шт.

3

MT40285510

PIPE

Return

1шт.

4

MT40285453

HOSE

1шт.

5

MT40285451

HOSE CLIP

2шт.

6

MT40285582

EYEBOLT

1шт.

7

MT40285545

WASHER

1шт.

8

MT40285499

SHIM,0.2mm Thk

1шт.

8

MT40285500

SHIM,0.3mm Thk

1шт.

8

MT40285501

SHIM,0.4mm Thk

1шт.

8

MT40285502

SHIM,0.5mm Thk

1шт.

8

MT40285503

SHIM

1шт.

8

MT40285504

SHIM,0.25mm Thk

1шт.

8

MT40285505

SHIM,0.35mm Thk

1шт.

9

MT40285493

FUEL INJECTION PUMP

1шт.

10

MT40283204

NUT

3шт.

11

MT40282965

BOLT

2шт.

12

MT40285414

BOLT

1шт.

13

MT40285506

PIPE

Injection

1шт.

14

MT40285507

PIPE

Injection

1шт.

15

MT40285508

PIPE

Injection

1шт.

16

MT40285509

PIPE

Injection

1шт.

17

MT40283493

CLAMP

Injection Pipe

6шт.

18

MT40282958

BOLT

3шт.

19

MT40283203

NUT

3шт.

20

MT40285570

BRACKET

1шт.

21

MT40282978

BOLT

2шт.

22

MT40285562

RESISTOR

Dropping

1шт.

23

MT40282964

BOLT

2шт.

24

MT40285572

CABLE TIE

Cable Tie

1шт.

25

MT40283461

BRACKET

Connector Clip

1шт.

26

MT40285440

WASHER

1шт.

27

MT40282970

BOLT

1шт.

28

MT40285490

FUEL PUMP

1шт.

29

MT40282949

CLAMP

1шт.

30

MT40285457

FUEL HOSE

1шт.

31

MT40283261

HOSE CLIP

4шт.

32

MT40285458

FUEL HOSE

1шт.

33

MT40285491

BRACKET

Fuel Filter

1шт.

34

MT40282979

BOLT

2шт.

35

MT40285489

FUEL FILTER

Assy, Incl 36, 37

1шт.

36

MT40283326

FILTER

1шт.

37

MT40283327

SENSOR

Level

1шт.

38

MT40282967

BOLT

2шт.

Выбрано товаров: 44