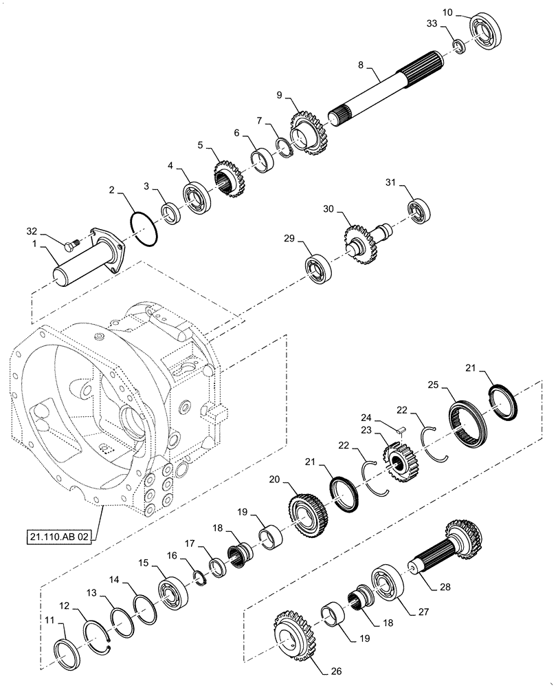
Запчасти Case IH FARMALL 40C (19.100.AA[02]) - MAIN SHAFT, FARMALL 40C, 50C (19) - POWER COUPLING

Схема запчастей Case IH FARMALL 40C - (19.100.AA[02]) - MAIN SHAFT, FARMALL 40C, 50C (19) - POWER COUPLING
21.110.ab 02
9
4
32
12
17
20
7
29
24
13
23
3
1
10
14
6
22
28
18
21
15
27
21
8
16
19
19
11
30
18
5
26
25
2
31
22
33
FIT
1:1
100%

Артикул

Название

Примечание

Количество

1

MT40268212

COVER

Forward - Reverse Drive Shaft

1шт.

2

MT40029228

O-RING,74.40mm Dia x 3.10mm

1шт.

3

MT40012920

SEAL

1шт.

4

MT40012709

BALL BEARING

1шт.

5

MT40009772

GEAR,37.5mm ID x 81.5mm OD x 12mm W, 29T

Reverse Drive

1шт.

6

MT40010089

SPACER,40mm ID x 50mm OD x 19mm

Forward - Reverse Drive Shaft

1шт.

7

MT40029277

SNAP RING,M40

1шт.

8

MT40266226

SHAFT

Forward - Reverse Drive, PTO

1шт.

9

MT40009962

GEAR,38T

Forward Drive

1шт.

10

MT40012711

BALL BEARING

1шт.

11

MT40007474

CAP,72mm OD x 10mm W, Rubber

Rubber

1шт.

12

MT40029301

SNAP RING,M72

1шт.

13

MT40012836

LINER,56mm ID x 71mm OD x 0.15mm Thk

2шт.

14

MT40012949

LINER,56mm ID x 71mm OD x 0.20mm Thk

2шт.

15

MT40012718

BALL BEARING

1шт.

16

MT40029273

SNAP RING,M30

1шт.

17

MT40010068

SPACER,32.809mm ID x 44mm OD x 9.50mm

Forward - Reverse Driven Shaft

1шт.

18

MT40010338

SLEEVE,30.69mm ID x 50mm OD x 31mm L

Gear

2шт.

19

MT40009699

NEEDLE BEARING,40mm ID x 45mm OD x 27mm

2шт.

20

MT40009050

GEAR,37T

Reverse Driven

1шт.

21

MT40009156

RING

Synchronizer

2шт.

22

MT40012135

SPRING,83mm OD x 1.60mm Thk

Synchronizer

2шт.

23

MT40009380

HUB,30.69mm ID x 87.60mm OD x 21mm

Shift

1шт.

24

MT40009844

STRUT

Synchronizer

3шт.

25

MT40009053

SLEEVE,84mm ID x 103mm OD x 21mm

Shift

1шт.

26

MT40009061

GEAR,44T

Forward Driven

1шт.

27

MT40012720

BALL BEARING

1шт.

28

MT40009167

SHAFT,91.1mm OD x 189.3mm L

Forward - Reverse Driven

1шт.

29

MT40012715

BALL BEARING

1шт.

30

MT40009790

SHAFT,89.30mm OD x 118.50mm L

Reverse Idle

1шт.

31

MT40012703

BALL BEARING

1шт.

32

MT40028948

BOLT,Hex, M10 x 1.25 x 25mm

3шт.

33

MT40007811

SEAL

1шт.

Выбрано товаров: 33