Запчасти Case IH FARMALL 40C (25.102.AD[02]) - FRONT AXLE DIFFERENTIAL, FARMALL 40C, 50C (25) - FRONT AXLE SYSTEM

Схема запчастей Case IH FARMALL 40C - (25.102.AD[02]) - FRONT AXLE DIFFERENTIAL, FARMALL 40C, 50C (25) - FRONT AXLE SYSTEM
25.102.aj 03
6
2
8
5
13
14
3
9
8
4
14
13
12
7
7
10
11
5
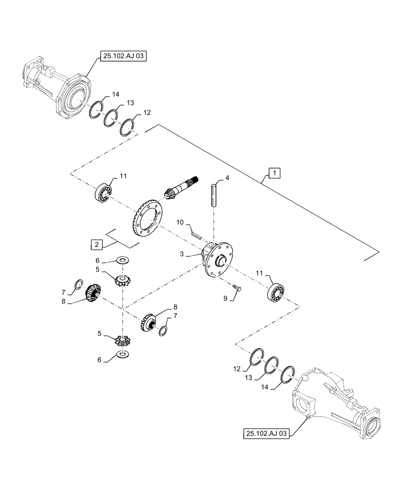
1
11
12
6
25.102.aj 03
FIT
1:1
100%

Артикул

Название

Примечание

Количество

1

MT40122879

AXLE DIFFERENTIAL

Incl 2 - 10

1шт.

2

MT40036068

PINION

Pinion and Ring

1шт.

3

MT40027840

CASE

1шт.

4

MT40009997

SHAFT,19.05mm OD x 122.63mm L

Differential

1шт.

5

MT40182444

GEAR

Pinion Drive

2шт.

6

MT40012423

WASHER,19.45mm ID x 45.07mm OD x 0.80mm Thk

2шт.

7

MT40012426

WASHER,41.47mm ID x 71.44mm OD x 0.8mm Thk

2шт.

8

MT40182443

GEAR

Differential Side

2шт.

9

MT40289561

BOLT,Hex, M10 x 1.25 x 20mm

8шт.

10

MT40029175

PIN,Spring, M6 x 50mm

Spring

1шт.

11

MT40012713

BALL BEARING

2шт.

12

MT40012427

LINER,73mm ID x 89mm OD x 0.1mm Thk

1шт.

13

MT40012428

LINER,73mm ID x 89mm OD x 0.2mm Thk

1шт.

14

MT40012429

LINER,73mm ID x 89 mm OD x 0.5mm Thk

1шт.

Выбрано товаров: 14