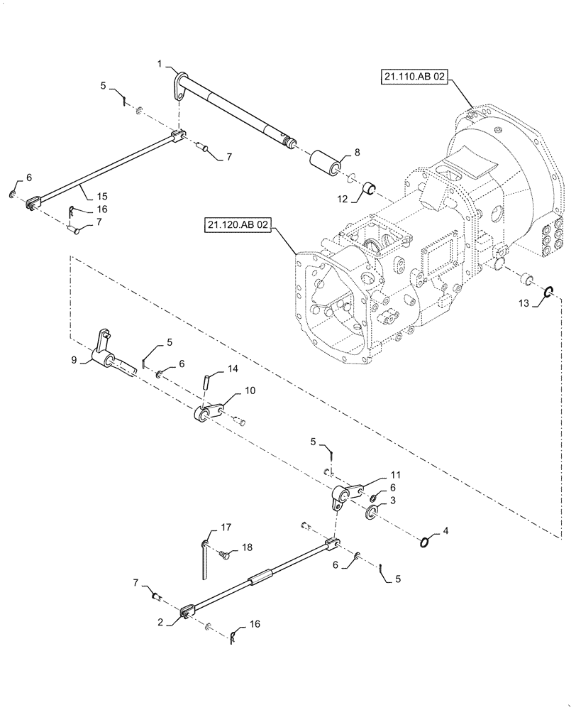
Запчасти Case IH FARMALL 40C (33.120.AG[04]) - REAR BRAKE PEDAL, FARMALL 40C, 50C (33) - BRAKES & CONTROLS

Схема запчастей Case IH FARMALL 40C - (33.120.AG[04]) - REAR BRAKE PEDAL, FARMALL 40C, 50C (33) - BRAKES & CONTROLS
21.120.ab 02
6
5
10
17
9
11
3
13
16
16
7
2
15
5
8
1
4
7
18
6
7
5
6
6
14
12
5
21.110.ab 02
FIT
1:1
100%

Артикул

Название

Примечание

Количество

1

MT40011965

SHAFT,25mm OD x 469mm L

Brake Pedal

1шт.

2

MT40013049

ROD

Brake Assy

1шт.

3

MT40028184

WASHER,25mm ID x 44mm OD x 4mm Thk

Plain

1шт.

4

MT40029271

SNAP RING,M25

1шт.

5

MT40029121

PIN,25mm OD x 20mm L

5шт.

6

MT40028171

WASHER,10.5mm ID x 21mm OD x 2mm Thk

Plain

7шт.

7

MT40009617

PIN,10mm ID x 14mm OD x 26mm L

6шт.

8

MT40010069

SPACER,25mm ID x 45mm OD x 74mm L

1шт.

9

MT40012056

ARM

Parking Brake

1шт.

10

MT40012055

ARM

Brake, LH

1шт.

11

MT40012404

ARM

Brake, RH

1шт.

12

MT40009874

BUSHING

2шт.

13

MT40029211

O-RING,3.50mm Thk x 24.70mm ID

2шт.

14

MT40029179

PIN,Spring, M8 x 40mm L

Spring

1шт.

15

MT40011917

ROD,638mm L

Brake

1шт.

16

MT40029132

HAIR PIN COTTER,M10

2шт.

17

MT40012733

CLAMP,10mm W x 140mm L

1шт.

18

MT40028947

BOLT,Hex, M10 x 1.25 x 20mm

1шт.

Выбрано товаров: 18