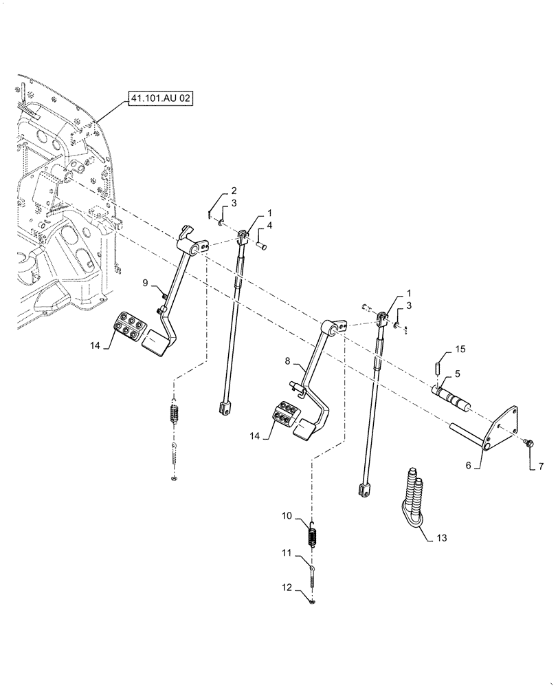
Запчасти Case IH FARMALL 40C (33.120.AG[06]) - FRONT BRAKE PEDAL, MECH, FARMALL 40C, 50C (33) - BRAKES & CONTROLS

Схема запчастей Case IH FARMALL 40C - (33.120.AG[06]) - FRONT BRAKE PEDAL, MECH, FARMALL 40C, 50C (33) - BRAKES & CONTROLS
12
4
6
9
3
3
1
41.101.au 02
14
15
7
2
10
8
5
11
14
1
13
FIT
1:1
100%

Артикул

Название

Примечание

Количество

1

MT40268929

ROD,638mm L

Assy Brake

2шт.

2

MT40029121

PIN,25mm OD x 20mm L

2шт.

3

MT40028171

WASHER,10.5mm ID x 21mm OD x 2mm Thk

Pln

2шт.

4

MT40009617

PIN,10mm ID x 14mm OD x 26mm L

2шт.

5

MT40268236

SHAFT,26mm OD x 138.5mm L

Brake Pedal

1шт.

6

MT40268234

STOP

Brake Pedal

1шт.

7

MT40029006

BOLT,Hex, M8 x 1.25 x 20mm

3шт.

8

MT40275799

PEDAL

Brake, RH

1шт.

9

MT40275800

PEDAL

Brake, LH

1шт.

10

MT40011959

SPRING,16mm x 2.30mm Dia x 80mm L

2шт.

11

MT40012132

BOLT,Adj, 8mm OD

Adjuster

2шт.

12

MT40012797

NUT,M8 x 1.25

2шт.

13

MT40278914

GROMMET

Brake Rod

1шт.

14

MT40278260

PEDAL

Rubber Pad

2шт.

15

MT40029179

PIN,Spring, M8 x 40mm L

Spring

1шт.

Выбрано товаров: 15