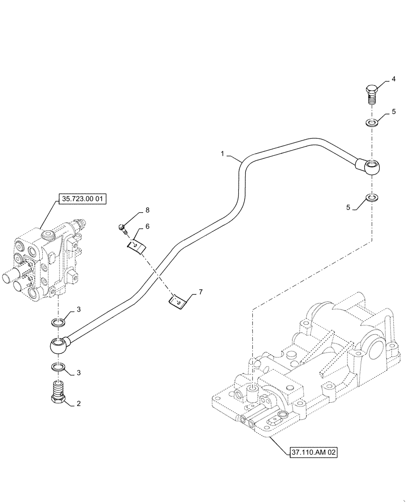
Запчасти Case IH FARMALL 40C (35.100.AH[02]) - HYDRAULIC LINES, SUCTION, FARMALL 40C, 50C (35) - HYDRAULIC SYSTEMS

Схема запчастей Case IH FARMALL 40C - (35.100.AH[02]) - HYDRAULIC LINES, SUCTION, FARMALL 40C, 50C (35) - HYDRAULIC SYSTEMS
2
3
8
3
37.110.am 02
6
7
35.723.00 01
5
1
5
4
FIT
1:1
100%

Артикул

Название

Примечание

Количество

1

MT40297504

HYDRAULIC HOSE

1шт.

2

MT40010250

BOLT,Union 1/2" x 36mm L

1шт.

3

MT40012096

SEAL,1.5mm Thk x 21.2mm ID

Bonded

2шт.

4

MT40010321

BOLT,Union, PF 3/8" x 22mm OD

1шт.

5

MT40012415

SEAL,16.8mm ID x 1.5mm Thk

Bonded

2шт.

6

MT40012306

CLAMP,2.3mm Thk

1шт.

7

MT40012307

PIPE CLAMP,2.3mm Thk

1шт.

8

MT40028968

BOLT,Hex, M6 x 1 x 30mm

1шт.

Выбрано товаров: 8