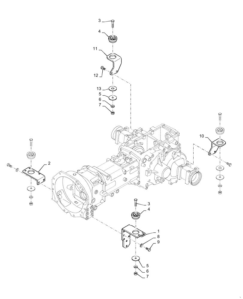
Запчасти Case IH FARMALL 40C (90.118.CD) - TRANSMISSION MOUNTING PARTS (90) - PLATFORM, CAB, BODYWORK AND DECALS

Схема запчастей Case IH FARMALL 40C - (90.118.CD) - TRANSMISSION MOUNTING PARTS (90) - PLATFORM, CAB, BODYWORK AND DECALS
5
11
8
2
1
4
4
6
5
3
3
9
7
10
6
12
13
7
FIT
1:1
100%

Артикул

Название

Примечание

Количество

1

MT40277007

BRACKET

Front Step, LH

1шт.

2

MT40277011

BRACKET

Front Step, RH

1шт.

3

MT40029479

BOLT,Hex, M16 x 1.5 x 60mm

4шт.

4

MT40007473

MOUNT,42mm OD x 3mmThk

4шт.

5

MT40012088

WASHER,71mm ID x 16.5mm OD x 4.5mm Thk

Rebound

4шт.

6

MT40029555

WASHER,16.20mm ID x 28mm OD x 4mm Thk

Spring

4шт.

7

MT40029032

NUT,M16 x 1.5

4шт.

8

MT40029553

WASHER,14.20mm ID x 24.50mm OD x 3.50mm Thk

Spring

6шт.

9

MT40029395

BOLT,Hex, M14 x 2 x 35mm

6шт.

10

MT40281811

BRACKET

Mount Rear, LH

1шт.

11

MT40281815

BRACKET

Mount Rear, RH

1шт.

12

MT40028939

BOLT,Hex, M12 x 1.75 x 35mm

4шт.

13

MT40291858

MOUNT

Rubber Under

2шт.

Выбрано товаров: 13