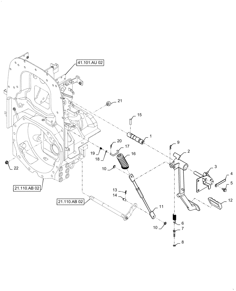
Запчасти Case IH FARMALL 40C (18.100.AF[02]) - CLUTCH PEDAL, FARMALL 40C, 50C (18) - CLUTCH

Схема запчастей Case IH FARMALL 40C - (18.100.AF[02]) - CLUTCH PEDAL, FARMALL 40C, 50C (18) - CLUTCH
14
21.110.ab 02
1
10
16
9
21.110.ab 02
10
18
11
15
8
13
20
7
22
5
6
12
41.101.au 02
21
17
4
2
19
3
FIT
1:1
100%

Артикул

Название

Примечание

Количество

1

MT40268236

SHAFT,26mm OD x 138.5mm L

Brake Pedal

1шт.

2

MT40276301

PEDAL,12mm Thk

Clutch

1шт.

3

MT40268235

STOP

Clutch Pedal

1шт.

4

MT40012735

CLAMP,10mm W x 95mm L

1шт.

5

MT40029006

BOLT,Hex, M8 x 1.25 x 20mm

3шт.

6

MT40011959

SPRING,16mm x 2.30mm Dia x 80mm L

1шт.

7

MT40012132

BOLT,Adj, 8mm OD

Adjuster

1шт.

8

MT40012797

NUT,M8 x 1.25

1шт.

9

MT40029132

HAIR PIN COTTER,M10

1шт.

10

MT40028158

WASHER,10.50mm ID x 18mm OD x 2mm Thk

Plain

2шт.

11

MT40255074

LINK

Assy, Clutch

1шт.

12

MT40278260

PEDAL

Pedal

1шт.

13

MT40029121

PIN,25mm OD x 20mm L

1шт.

14

MT40009620

PIN,5mm

Clutch Lever

1шт.

15

MT40029179

PIN,Spring, M8 x 40mm L

1шт.

16

MT40278916

GROMMET

Clutch Rod

1шт.

17

MT40012564

ROD

Clutch Pedal

1шт.

18

MT40029565

WASHER,5.3mm ID x 10mm OD x 1mm Thk

Plain

1шт.

19

MT40011978

SPRING,Compression, 7mm OD x 13mm L

Clutch Pedal Lock

1шт.

20

MT40029129

PIN

1шт.

21

MT40007478

RUBBER SLEEVE,M8 x 1.25 x 20mm L

1шт.

22

MT40029075

FLANGE NUT,Hex, M8 x 1.25

1шт.

Выбрано товаров: 22