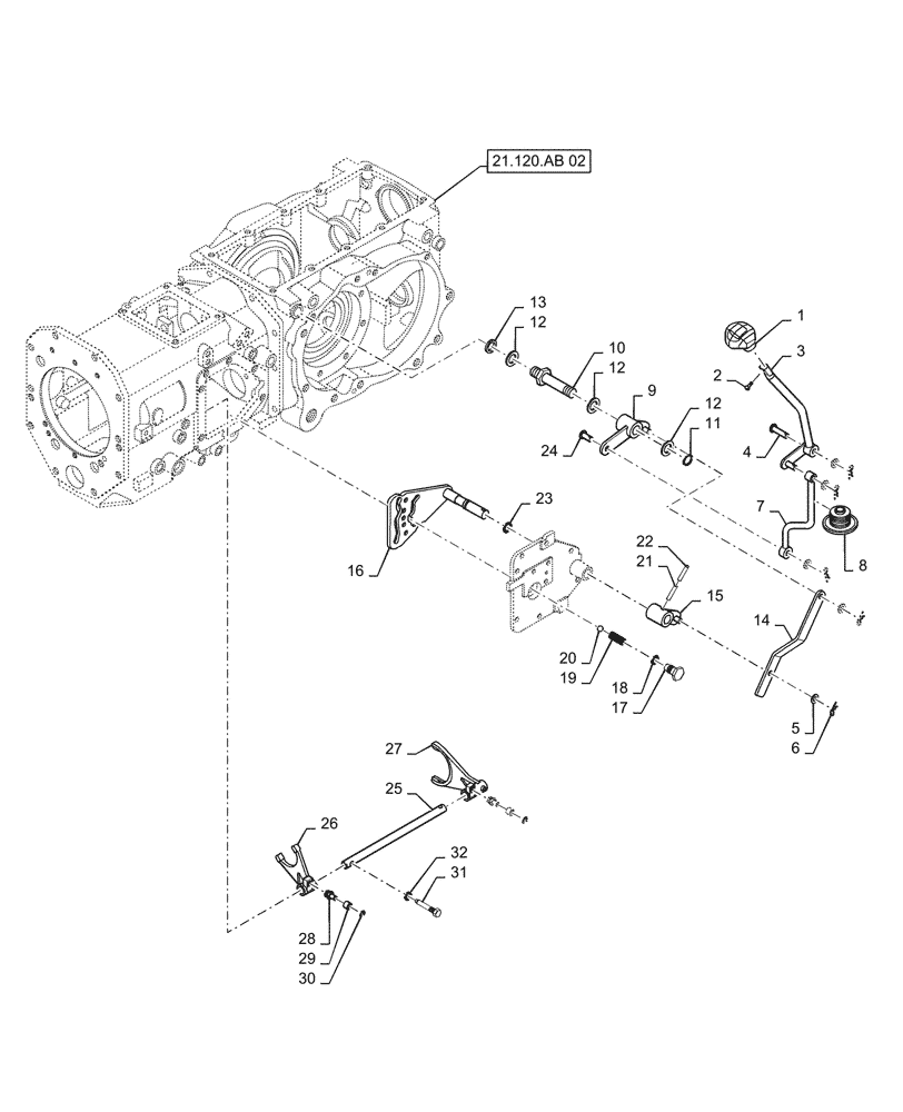
Запчасти Case IH FARMALL 40C (21.130.BC[06]) - SHIFTING UNIT, MECH RANGE GEAR, FARMALL 40C, 50C (21) - TRANSMISSION

Схема запчастей Case IH FARMALL 40C - (21.130.BC[06]) - SHIFTING UNIT, MECH RANGE GEAR, FARMALL 40C, 50C (21) - TRANSMISSION
21.120.ab 02
4
27
1
29
12
17
19
31
24
14
15
13
16
12
3
30
22
18
7
11
32
28
26
2
5
9
12
10
6
25
20
23
21
8
FIT
1:1
100%

Артикул

Название

Примечание

Количество

1

MT40276122

KNOB

Range Shift, Mech

1шт.

2

MT40029025

SCREW,M4 x 1.41 x 16mm L

1шт.

3

MT40255049

LEVER

Range Shift

1шт.

4

MT40113954

PIN,10mm OD x 40mm L

1шт.

5

MT40028158

WASHER,10.50mm ID x 18mm OD x 2mm Thk

5шт.

6

MT40029132

HAIR PIN COTTER,M10

5шт.

7

MT40255051

LINK

Range Shift

1шт.

8

MT40254280

COVER

PTO Lever

1шт.

9

MT40255050

ARM

Range Shift

1шт.

10

MT40009903

SHAFT

Hand Lever

1шт.

11

MT40029265

SNAP RING,M20

1шт.

12

MT40028181

WASHER,21mm ID x 37mm OD x 3mm

3шт.

13

MT40029555

WASHER,16.20mm ID x 28mm OD x 4mm Thk

Spring

1шт.

14

MT40012309

LINK,25mm x 9mm Thk

Range

1шт.

15

MT40032433

ARM

Range Shift Lever

1шт.

16

MT40313891

CAM

Range Lever

1шт.

17

MT40010268

BOLT

Fwd - Rvs Shift

1шт.

18

MT40029203

O-RING,2.40mm Thk x 14.8mm OD

1шт.

19

MT40011943

SPRING,7.2mm OD x 22mm L

1шт.

20

MT40010339

BALL

Shift Fork

1шт.

21

MT40029172

PIN,6mm OD x 35mm L

Spring

1шт.

22

MT40012772

PIN,4mm OD x 35mm L

Spring

1шт.

23

MT40029204

O-RING,2.4mm Thk x 15.8mm OD

1шт.

24

MT40113928

PIN,10mm OD x 25mm L

1шт.

25

MT40009995

SHIFT RAIL,16mm OD x 302mm L

Range

1шт.

26

MT40009191

FORK

Range, Second and Fourth

1шт.

27

MT40009190

FORK

Range, First and Third

1шт.

28

MT40009983

PIN,M14 x 29mm

Range Fork

2шт.

29

MT40010196

ROLLER,8mm ID x 12mm OD x 12.50mm L

2шт.

30

MT40029314

SNAP RING,M6

2шт.

31

MT40009858

BOLT

1шт.

32

MT40029196

O-RING,2.4mm Thk x 9.8mm ID

1шт.

Выбрано товаров: 32