Запчасти Case IH FARMALL 45 (07.99[01]) - TWO FUNCTION MID-MOUNT REMOTE VALVES WITH JOYSTICK CONTROL - DIA KIT, P/N 710440106 (07) - HYDRAULIC SYSTEM

Схема запчастей Case IH FARMALL 45 - (07.99[01]) - TWO FUNCTION MID-MOUNT REMOTE VALVES WITH JOYSTICK CONTROL - DIA KIT, P/N 710440106 (07) - HYDRAULIC SYSTEM
30
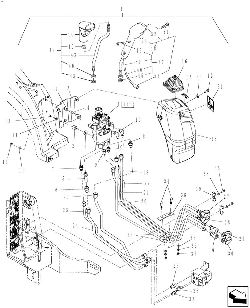
26
24
007
31
42
34
14
2
33
13
48
27
12
23
38
35
49
16
8
43
17
36
9
20
46
10
11
21
6
1a
11
19
26
39
18
52
29
7
33
54
46
45
51
3
13
11
35
46
28
1
11
22
44
4
53
36
15
47
37
5
50
25
45
FIT
1:1
100%

Артикул

Название

Примечание

Количество

1

710440106

DIA KIT, TRACTOR

Mid-Mount Hydraulic Control Valve, used with Gear Transmission & ROPS Includes: Ref. 1A-40 & 44-51

1шт.

1a

87609436

BRACKET

Bracket, Valve Mount

1шт.

2

86567772

INSULATOR

Valve

3шт.

3

140041

WASHER,M8 x 28mm OD x 3mm Thk

3шт.

4

86403581

HYDRAULIC VALVE

1шт.

5

9601710

HYD CONNECTOR,3/4"-16, 37 Degree x 3/4"-16, Pipe

Includes: Ref. 44

1шт.

6

87039394

REDUCER,37 Degree, 3/4"-16, Fem x 7/8"-14 Male

1шт.

7

128818

UNION,3/4" - 16 ORB x 3/4" - 16 JIC

Includes: Ref. 44

1шт.

8

86071

HYD CONNECTOR,7/8" - 14 JIC x 3/4" - 16 ORB

Includes: Ref. 44

1шт.

9

86509028

HYD CONNECTOR,3/4" - 16 JIC x 9/16" - 18 ORB

Includes: Ref. 45

2шт.

10

86512938

90 ELBOW,90 Degree, 37 Degree 3/4"-16 x 9/16"-18 ORB

Includes: Ref. 45

2шт.

11

322358

BELLEVILLE WASHER,M8 Bolt Size x 18mm OD x 1.4mm Thk

10шт.

12

9671714

FLANGE BOLT,Hex, M8 x 1.25 x 25mm, Cl 8.8

3шт.

13

9635082

NUT,5/16" - 18, Gr 5

5шт.

14

280345

BOLT,Hex, 5/16" - 18 x 7/8", Gr 5, Full Thd

2шт.

15

87640594

PROTECTIVE COVER

Loader Control

1шт.

16

86530982

BOOT

Loader Joystick

1шт.

17

86401119

DECAL

Valve Lock

1шт.

18

87328755

HYD TUBE,12.70 mm OD

A2 Port, Boom Rod

1шт.

19

9846343

COUPLING,3/8" NPTF

Hydraulic, Female, O-Ring used is 122056 & Back-Up Ring used is 647327

4шт.

20

87328753

HYD TUBE,12.70 mm OD

A1 Port, Bucket Base

1шт.

21

87328752

HYD TUBE,12.70 mm OD

B1 Port, Bucket Rod

1шт.

22

87328754

HYD TUBE,12.70 mm OD

B2 Port, Boom Base

1шт.

23

87328759

HYD TUBE,15.88 mm OD

Pressure

1шт.

24

87328761

HYD TUBE,15.88 mm OD

Power Beyond

1шт.

25

87328762

HYD TUBE,12.70 mm OD

Tank

1шт.

26

242679

HYD CONNECTOR,7/8" - 14 JIC x 3/8" - 18 NPT

2шт.

27

86597754

PLUG,29mm OD x 246mm L

Dust, Red

1шт.

28

86597755

PLUG,29mm OD x 246mm L

Dust, Blue

1шт.

29

86597757

PLUG,29mm OD x 246mm L

Dust, Green

1шт.

30

86597758

PLUG,29mm OD x 246mm L

Dust, Yellow

1шт.

31

86401095

DECAL

Loader Valve

1шт.

32

163334

HYD CONNECTOR,3/4" - 16 JIC x 3/8" - 18 NPTF

1шт.

33

625822

CLAMP,1/2" Tube

1/2 Tube

2шт.

34

280112

BOLT,Hex, 1/4" - 20 x 1-1/2", Gr 5

2шт.

35

87361

WASHER,0.28" ID x 0.62" OD x 0.07" Thk

2шт.

36

80682

LOCK WASHER,1/4"

2шт.

37

7770

NUT,Hex, 1/4 - 20, Cl 5

2шт.

38

86509354

PLATE,9/32" ID x 3/4" W x 2" L

Tab

2шт.

39

86524859

CLAMP

Tube

2шт.

40

322357

BELLEVILLE WASHER,M6 Bolt Size x 14mm OD x 1.3mm Thk

2шт.

44

87543390

HANDLE GRIP

Gear

1шт.

45

81547

LOCK WASHER,7/16"

Gear & HST

1шт.

46

87891

BHD LOCK NUT,Jam, 7/16"-20, G2

Gear & HST

1шт.

47

86400438

HANDLE

Control Handle Includes: Ref. 45, 46 & 48-54

1шт.

48

81872967

HANDLE

Loader Control Lever, HST Includes: Ref. 51-54

1шт.

49

82858251

SCREW,M6 x 10mm, Cl 4.8

M6, HST

2шт.

50

86400437

SUPPORT

Handle, HST

1шт.

51

81869171

SELF-TAP SCREW,M12 x 38mm

1шт.

Выбрано товаров: 49