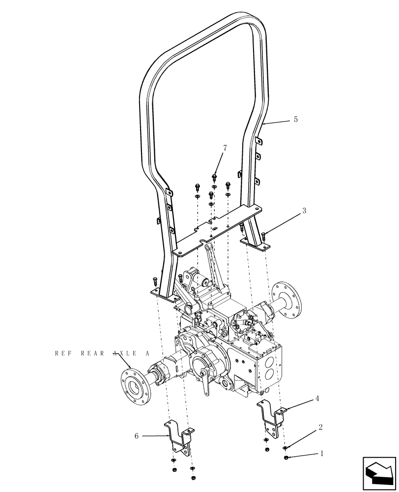
Запчасти Case IH FARMALL 45 (10.11) - FIXED ROPS - 710861066 (10) - OPERATORS PLATFORM/CAB

Схема запчастей Case IH FARMALL 45 - (10.11) - FIXED ROPS - 710861066 (10) - OPERATORS PLATFORM/CAB
1
ref rear axle a
7
3
4
6
5
2
FIT
1:1
100%

Артикул

Название

Примечание

Количество

1

100038

NUT,M12 x 1.75, Cl 8

4шт.

2

140046

BELLEVILLE WASHER,M12 Bolt Size x 27mm OD x 1.8mm Thk

8шт.

3

337563

BOLT,M12 x 1.75 x 47.68mm, Cl 10.9

4шт.

4

86558130

BRACKET

Stabilizer, LH

1шт.

5

86558150

ROPS

Fixed Assy.

1шт.

6

86558905

BRACKET

Stabilizer, RH

1шт.

7

9670066

FLANGE BOLT,Hex, M12 x 30mm, Cl 8.8

Cap, Flg Hd, CL 8.8, M12 x 1.75 x 30

4шт.

8

W0

ORDER WHOLEGOODS

Fixed ROPS Kit, Includes: Ref. 1 thru 7

1шт.

710861066

1шт.

Выбрано товаров: 9