Запчасти Case IH FARMALL 45 (07.06.02) - THIRD REAR REMOTE VALVE KIT, SELF-CENTERING, HST - 719339036 (07) - HYDRAULIC SYSTEM

Схема запчастей Case IH FARMALL 45 - (07.06.02) - THIRD REAR REMOTE VALVE KIT, SELF-CENTERING, HST - 719339036 (07) - HYDRAULIC SYSTEM
2
18
17
11
11
4
27
20
3
26
17
13
10
15
21
9
8
12
24
16
28
7
23
14
25
5
22
6
12
1
14
19
FIT
1:1
100%

Артикул

Название

Примечание

Количество

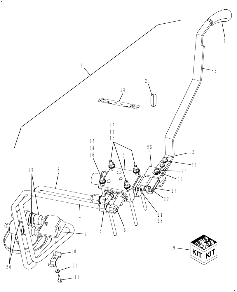
1

719339036

FIELD ATTACHMENT

Single Spool Remote Kit, Remote Control Valve #3

1шт.

2

86403116

REMOTE CONTROL VALVE

Refer to Fig. 07.06.03 for details

1шт.

3

86554974

LEVER

Remote #3

1шт.

4

86403812

KNOB

A, Range

1шт.

5

128830

ELBOW,90 DEGREE, 3/4" - 16 JIC x 3/4" - 16 ORB

1шт.

6

86513069

ELBOW,90 Degree, 3/4"-16, 37 Degree x 3/4"-16, LG

1шт.

7

86558267

HYD TUBE

RM3 Port A

1шт.

8

86558269

HYD TUBE

RM3 Port B

1шт.

9

86403112

BRACKET

RM3

1шт.

10

86524859

CLAMP

1шт.

11

322357

BELLEVILLE WASHER,M6 Bolt Size x 14mm OD x 1.3mm Thk

3шт.

12

9804256

BOLT,Hex, M6 x 1 x 20mm, Full Thd, Cl 8.8

3шт.

13

256231

COUPLING, QUICK, FEM

Includes: 86528546 O-Ring Male Coupler is 9801618

2шт.

14

322358

BELLEVILLE WASHER,M8 Bolt Size x 18mm OD x 1.4mm Thk

4шт.

15

86530931

STUD,M8 x 175, Cl 8.8

3шт.

16

86532717

STUD,M8 x 235, Cl 8.8

1шт.

17

9804277

FLANGE NUT,Hex, M8 x 1.25, Cl 8

4шт.

18

86567895

DECAL

Remote

1шт.

19

86535818

SEAL KIT

Remote Valve

1шт.

20

5186723

DUST CAP,24mm, Black

Dust, 1/2 Inch Coupler

2шт.

21

86404552

DECAL

Remote #3 Logo

1шт.

22

130045

PIN,5mm OD x 26mm L, Slotted

1шт.

23

1826919

SNAP RING

1шт.

24

86400503

SPACER

2шт.

25

86554969

SUPPORT

Hydraulic Remote

1шт.

26

86554970

SHAFT

Remote

1шт.

27

86558379

LEVER

Hyd Pivot Assy.

1шт.

28

86565810

HEX SOC SCREW,1/4" - 20 x 5/8"

2шт.

Выбрано товаров: 0