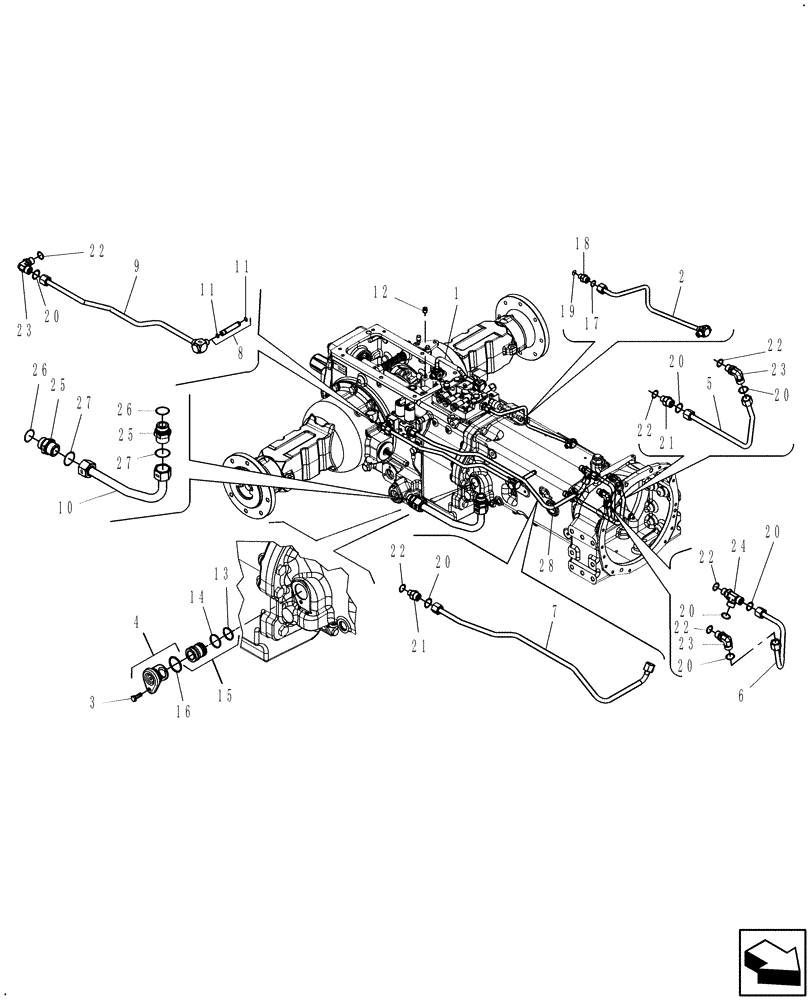
Запчасти Case IH FARMALL 45 (03.01.01) - COMPLETE TRANSMISSION EXTERNAL PIPING (03) - TRANSMISSION

Схема запчастей Case IH FARMALL 45 - (03.01.01) - COMPLETE TRANSMISSION EXTERNAL PIPING (03) - TRANSMISSION
1
17
2
22
22
24
7
14
25
20
22
27
15
20
12
4
20
10
11
13
20
21
5
21
18
26
27
8
22
6
3
19
16
9
20
20
23
23
20
23
28
22
26
22
11
25
FIT
1:1
100%

Артикул

Название

Примечание

Количество

1

87481383

PIPE

Primary Pulley Inlet

1шт.

2

87481336

PIPE

PIV Hydraulic Block Inlet

1шт.

3

GRT70223

BOLT

HEXAGON HEAD SCREW M6X16 CL 8.8

1шт.

4

GRT3VT01293

COVER

PUMP SUCTION COVER

1шт.

5

GRT3458553

PIPE

RELIEF VALVE DRAIN PIPE

1шт.

6

GRT3458543

PIPE

SHUTTLE CLUTCH HYDRAULIC BLOCK INLET PIPE

1шт.

7

GRT3458513

PIPE

PTO HYDRAULIC BLOCK INLET PIPE

1шт.

8

NS

NOT SERVICED

SHUTTLE CLUTCH LUBE PIPE

1шт.

9

87481337

PIPE

PTO Hydraulic Block Washing

1шт.

10

87481339

PIPE

Pump Suction External

1шт.

11

87481342

O-RING,9.25MM ID x 1.78MM Width

1.78x9.25

2шт.

12

NS

NOT SERVICED

TAPERED THREADED PLUG M10X1.25

1шт.

13

87481346

O-RING,23.52MM ID x 1.78MM Width

Seal, 1.78x23.52

1шт.

14

87481343

O-RING,25.12MM ID x 1.78MM Width

Seal, 1.78x25.12

1шт.

15

87481338

SUCTION PIPE

1шт.

16

87481344

O-RING,28.3MM ID x 1.78MM Width

Seal, 1.78x28.30

1шт.

17

9993141

O-RING,0.07" Thk x 0.364" ID, -12, Cl 6, 90 Duro

1шт.

18

86580177

HYD CONNECTOR,11/16"-16 ORFS x M12 x 1.5 ORB

1шт.

19

86598098

O-RING,2.2mm Thk x 9.3mm ID, Cl 6, 90 Duro

1шт.

20

9992298

O-RING,0.07" Thk x 0.489" ID, -14, Cl 6, 90 Duro

7шт.

21

86579676

HYD CONNECTOR,13/16" - 16 ORFS x M18 x 1.5 ORB

2шт.

22

86598101

O-RING,2.2mm Thk x 15.3mm ID, Cl 6, 90 Duro

6шт.

23

86579691

90 ELBOW,90 Degree, 13/16"-18 ORFS x M18 x 1.5 ORB

3шт.

24

86579702

TEE,13/16" - 16 ORFS x 13/16" - 16 ORFS x M18 x 1.5 ORB

1шт.

25

84144653

HYD CONNECTOR

Connector

2шт.

26

84146002

O-RING,0.103" Thk x 1.174" ID, -123, Cl 8, 90 Duro

Seal

2шт.

27

9824050

O-RING,0.07" Thk x 0.926" ID, -21, Cl 6, 90 Duro

2шт.

28

GRT3521803

PLUG

1шт.

Выбрано товаров: 28