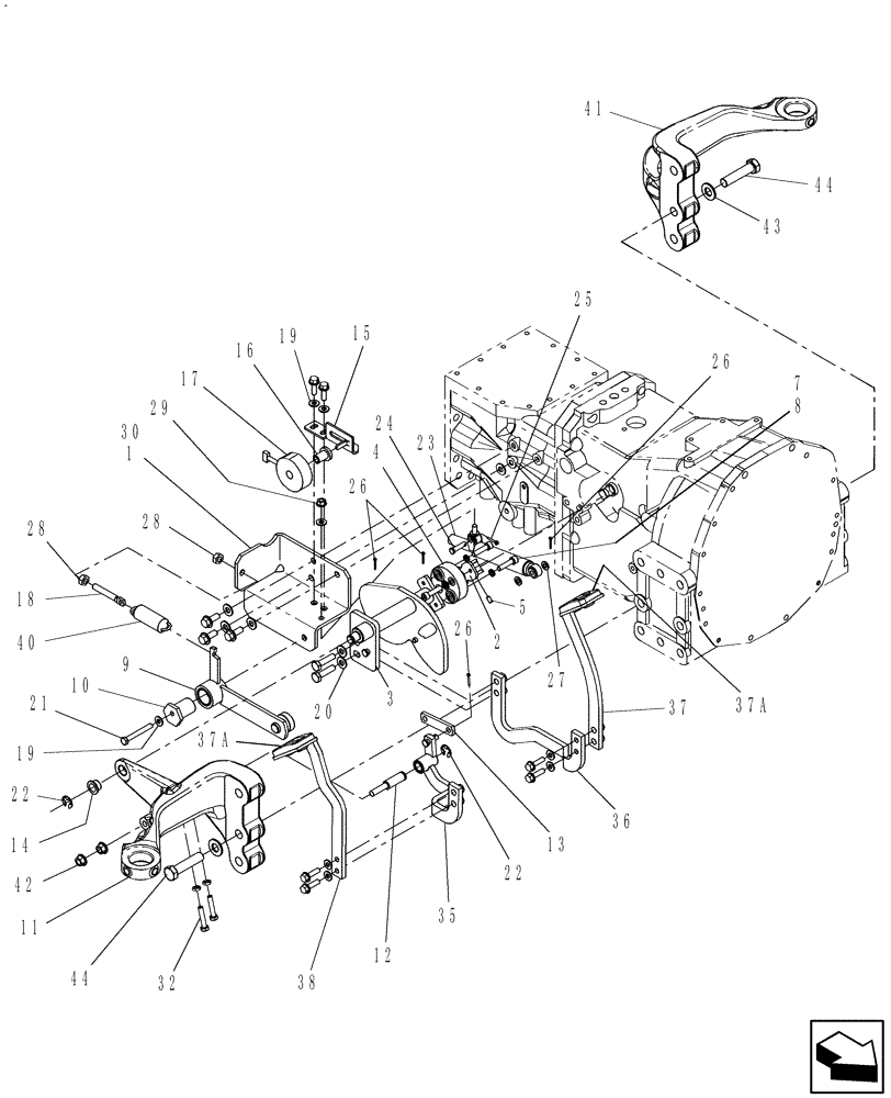
Запчасти Case IH FARMALL 45 (03.03.01) - FORWARD & REVERSE PEDALS, HST (03) - TRANSMISSION

Схема запчастей Case IH FARMALL 45 - (03.03.01) - FORWARD & REVERSE PEDALS, HST (03) - TRANSMISSION
15
19
35
21
12
10
40
43
26
3
8
44
9
32
29
17
30
22
11
38
26
24
22
28
19
14
23
37a
28
26
4
44
2
42
18
1
20
36
16
13
37a
41
27
7
5
25
37
FIT
1:1
100%

Артикул

Название

Примечание

Количество

1

86403177

BRACKET

1шт.

2

84184337

COUPLING

HST Pump Coupler

1шт.

3

87740659

SHAFT

Trans Pivot

1шт.

4

87710601

COUPLING JOINT

1шт.

5

87027063

SET SCREW,Hex Skt, M6 x 12mm

Set, Hex M6x12

1шт.

7

5182264

LOCK WASHER,8mm ID x 13mm OD x 2mm Thk

Spring Lock, 8x13x2mm

4шт.

8

864-8035

HEX SOC SCREW,M8 x 35mm, Cl 8.8

4шт.

9

86573782

SUPPORT

Centering Pivot Includes: Ref. 34 & 35

1шт.

10

87346414

ECCENTRIC

Stud

1шт.

11

87356856

MOUNTING PARTS

1шт.

12

87359845

REVERSE SHAFT

Pedal, Pivot

1шт.

13

86400171

CONNECTING LINK

HST Pedal

1шт.

14

86558960

BUSHING,Hat, 15.8mm ID x 19.05mm OD x 25.4mm OD x 12.7mm W

1шт.

15

86573772

BRACKET

Magnet

1шт.

16

86532932

BUSHING

Cruise

1шт.

17

87316542

ELECTROMAGNET

6" Wire Lead

1шт.

18

86400173

BOLT

Spade

1шт.

19

322358

BELLEVILLE WASHER,M8 Bolt Size x 18mm OD x 1.4mm Thk

8шт.

20

140045

BELLEVILLE WASHER,M10 Bolt Size x 22mm OD x 1.6mm Thk

5шт.

21

300510

BOLT,Hex, M8 x 65mm, Cl 8.8

1шт.

22

1826919

SNAP RING

2шт.

23

SBA378910020

DAMPER

1шт.

24

213399

CLEVIS PIN,5/16" x 1 1/4"

1шт.

25

80756

COTTER PIN,1/8" x 3/4"

1шт.

26

280250

COTTER PIN,3/32" OD x 3/4" L

4шт.

27

86511315

WASHER,8.4mm ID x 16mm OD x 1.8mm Thk

2шт.

28

100016

NUT,M10 x 1.5, Cl 8

2шт.

29

9804277

FLANGE NUT,Hex, M8 x 1.25, Cl 8

1шт.

30

9804261

BOLT,Hex, M10 x 25mm, Cl 8.8, Full Thd

3шт.

31

100097

JAM NUT,Thin, M8 x 1.25, Cl 04

2шт.

32

120106

BOLT,M8 x 1.25 x 45.45mm, Cl 8.8

2шт.

33

43248

BOLT,Hex, M10 x 1.5 x 40mm, Cl 10.9

2шт.

34

9671714

FLANGE BOLT,Hex, M8 x 1.25 x 25mm, Cl 8.8

2шт.

35

87361273

REAR PTO ASSY

Pedal, Reverse, Lower Includes (2) 86524680 bushing

1шт.

36

86403349

PEDAL

Forward , Lower

1шт.

37

86403350

PEDAL

Forward, Upper Includes: Ref. 31A

1шт.

37a

86567931

RUBBER PEDAL PAD

Forward, Upper & Reverse, Upper

2шт.

38

86403355

PEDAL

Reverse, Upper

1шт.

39

9804260

BOLT,Hex, M8 x 1.25 x 30mm, Full Thd, Cl 8.8

4шт.

40

87304423

SPRING

Pedal

1шт.

41

87356858

MOUNTING PARTS

Cab, Front

1шт.

42

9804278

FLANGE NUT,M10 x 1.5, Cl 8

2шт.

43

140048

BELLEVILLE WASHER,M16 Bolt Size x 32mm OD x 2.8mm Thk

2шт.

44

9847468

BOLT,Hex, M16 x 2 x 70mm, Cl 10.9

2шт.

Выбрано товаров: 44