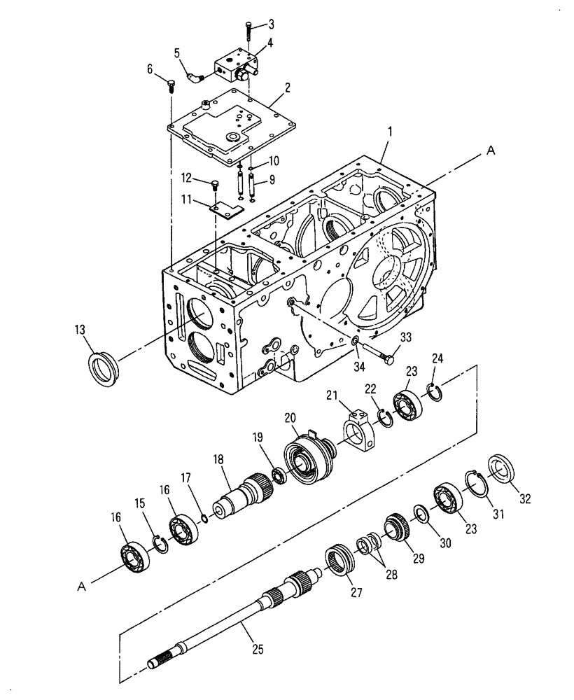
Запчасти Case IH FARMALL 45 (03.13) - REAR TRANSMISSION PTO DRIVE, UPPER (03) - TRANSMISSION

Схема запчастей Case IH FARMALL 45 - (03.13) - REAR TRANSMISSION PTO DRIVE, UPPER (03) - TRANSMISSION
15
33
20
4
31
34
27
16
11
10
17
9
32
22
23
12
29
23
24
18
2
6
30
13
28
5
1
21
16
3
25
19
FIT
1:1
100%

Артикул

Название

Примечание

Количество

1

SBA322117413

CASING

Rear Differential, HST

1шт.

1

SBA322118940

CASE

1шт.

2

SBA322213431

COVER

PTO Indicator

1шт.

3

SBA011310645

CAPTIVE WASHER SCREW,Hex, M6 x 45, Cl 8.8

3шт.

4

SBA340016461

HYDRAULIC VALVE

PTO Control, Refer to Fig. 03.13.02 for Components

1шт.

5

SBA340671580

ADAPTER

1шт.

6

SBA010109424

BOLT

W/Washer

12шт.

9

SBA340615850

RIGID TUBE

2шт.

10

SBA052120070

O-RING

4шт.

11

SBA399569181

PLATE

L Shaped Flat Profile

1шт.

12

SBA011510820

CAPTIVE WASHER SCREW,Hex, M8 x 20, G5

2шт.

13

SBA322262830

HOLDER

Bearing

1шт.

14

86516078

BALL BEARING,40mm ID x 68mm OD x 15mm W

1шт.

15

370007

SNAP RING,M45, Ext

1шт.

16

SBA040106009

BALL BEARING

1шт.

17

SBA036500018

SNAP RING

1шт.

18

SBA322590860

SHAFT

PTO Indicator

1шт.

19

SBA040106004

BALL BEARING

1шт.

20

SBA320041051

CLUTCH

PTO, Refer to Fig. 03.04.02 for Components

1шт.

21

SBA340330132

COVER

Swivel Joint

1шт.

22

SBA036100055

SNAP RING

1шт.

23

46805

BALL BEARING,30mm ID x 72mm OD x 19mm W

2шт.

24

SBA036100055

SNAP RING

W/HST

1шт.

25

SBA322571400

COUNTERSHAFT

PTO, W/HST

1шт.

27

SBA322460060

SLEEVE

W/HST

1шт.

28

SBA042200135

BEARING ASSY

Needle, W/HST

2шт.

29

SBA322382480

GEAR

Mid-PTO, W/HST

1шт.

30

SBA399260890

THRUST WASHER

W/HST

1шт.

31

370018

SNAP RING,M72, Internal

1шт.

32

SBA322140270

COVER

Seal, W/HST

1шт.

33

SBA399430630

BOLT

2шт.

34

SBA025100010

SEALING WASHER,9.2mm ID x 17mm OD x 1.8mm Thk

2шт.

35

SBA064409010

PLUG

1шт.

Выбрано товаров: 33