Запчасти Case IH FARMALL 45C (41.216.040) - STEERING TIE-ROD (41) - STEERING

Схема запчастей Case IH FARMALL 45C - (41.216.040) - STEERING TIE-ROD (41) - STEERING
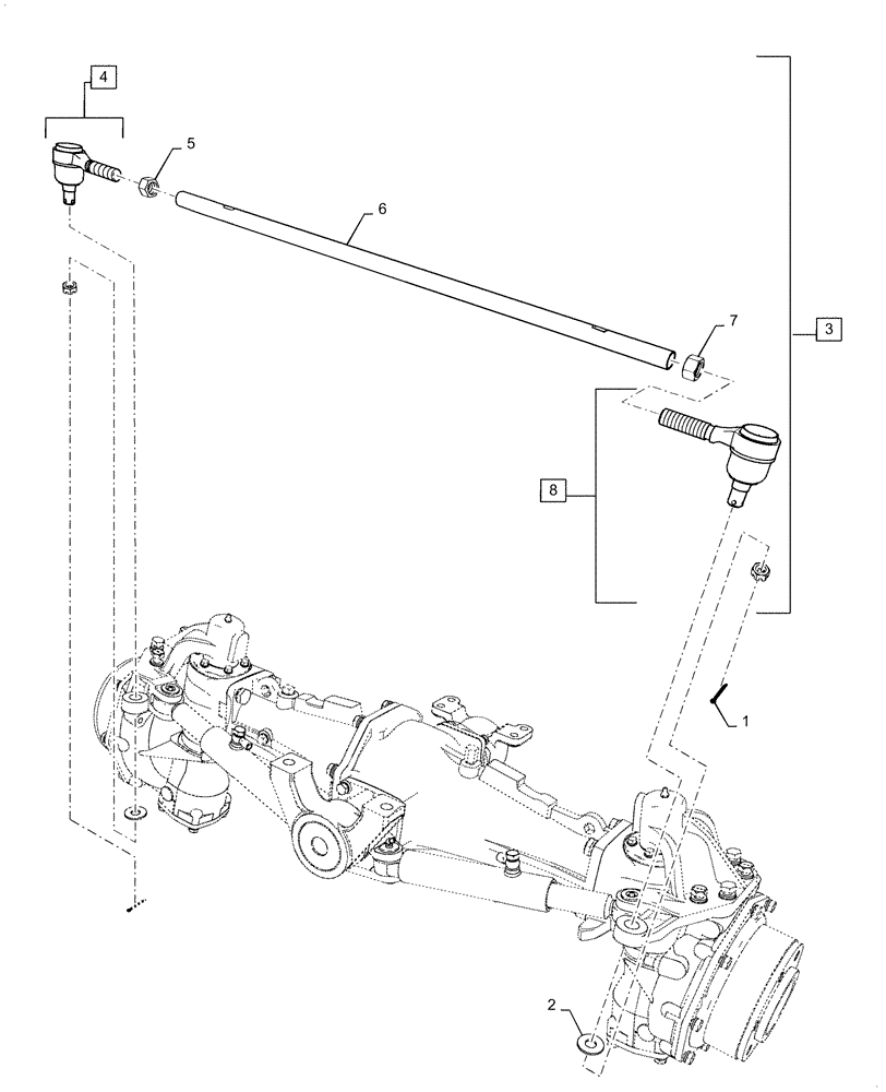
8
6
4
5
3
2
7
1
FIT
1:1
100%

Артикул

Название

Примечание

Количество

1

MT40029127

SPRING,40mm OD x 36mm L

Split

2шт.

2

MT40028204

WASHER,17mm ID x 40mm OD x 3mm

Pln

2шт.

3

MT40220074

TIE-ROD,920mm - 930mm

R Includes: 3-8

1шт.

4

MT40008103

END

RH

1шт.

5

MT40029053

NUT,Hex, M18 x 1.5

1шт.

6

MT40213248

LINK,21.7mm OD x 3.7mm Thk

Tie Rod

1шт.

7

MT40009543

NUT,Hex, M18 x 1.5

LHT

1шт.

8

MT40008102

END

LH

1шт.

Выбрано товаров: 8