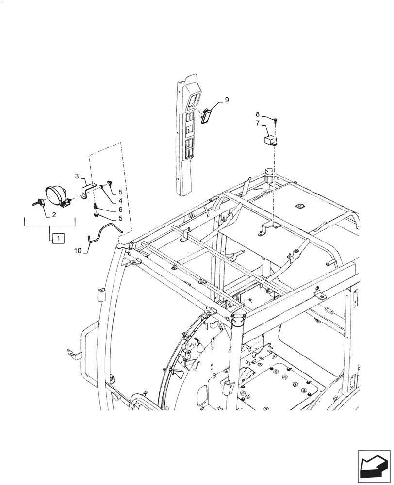
Запчасти Case IH FARMALL 45C (55.404.040) - WORK LAMP (55) - ELECTRICAL SYSTEMS

Схема запчастей Case IH FARMALL 45C - (55.404.040) - WORK LAMP (55) - ELECTRICAL SYSTEMS
3
9
5
6
1
8
4
7
2
5
10
FIT
1:1
100%

Артикул

Название

Примечание

Количество

1

MT40261398

WORK LAMP

Assy Incl 2

2шт.

2

MT40264037

BULB,12V. 37.5W

1шт.

3

MT40267643

BRACKET

Work Lamp

2шт.

4

MT40029075

FLANGE NUT,Hex, M8 x 1.25

2шт.

5

MT40008371

CAP

4шт.

6

MT40028973

BOLT,Hex, M8 x 1.25 x 25mm

2шт.

7

MT40234130

RELAY

Head Lamp

1шт.

8

MT40028964

BOLT,Hex, M6 x 1 x 16mm

1шт.

9

MT40191407

LAMP SOCKET,12V 10W

Assy

1шт.

10

MT40261880

WIRE HARNESS

Work Lamp

2шт.

Выбрано товаров: 10