Запчасти Case IH FARMALL 45C (18.100.030) - CLUTCH, CONTROLS (18) - CLUTCH

Схема запчастей Case IH FARMALL 45C - (18.100.030) - CLUTCH, CONTROLS (18) - CLUTCH
16
19
18
12
21
10
6
4
15
1
7
23
8
10
22
5
9
11
13
3
20
17
2
14
FIT
1:1
100%

Артикул

Название

Примечание

Количество

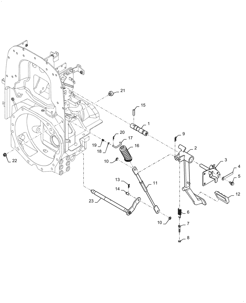
1

MT40268236

SHAFT,26mm OD x 138.5mm L

Brake Pedal

1шт.

2

MT40276301

PEDAL,12mm Thk

Clutch

1шт.

3

MT40268235

STOP

Clutch Pedal

1шт.

4

MT40012735

CLAMP,10mm W x 95mm L

1шт.

5

MT40029006

BOLT,Hex, M8 x 1.25 x 20mm

3шт.

6

MT40011959

SPRING,16mm x 2.30mm Dia x 80mm L

1шт.

7

MT40012132

BOLT,Adj, 8mm OD

Adjuster

1шт.

8

MT40012797

NUT,M8 x 1.25

1шт.

9

MT40029132

HAIR PIN COTTER,M10

1шт.

10

MT40028158

WASHER,10.50mm ID x 18mm OD x 2mm Thk

Plain

2шт.

11

MT40255074

LINK

Assy, Clutch

1шт.

12

MT40278260

PEDAL

1шт.

13

MT40029121

PIN,25mm OD x 20mm L

1шт.

14

MT40009620

PIN,5mm

Clutch Lever

1шт.

15

MT40029179

PIN,Spring, M8 x 40mm L

1шт.

16

MT40278916

GROMMET

Clutch Rod

1шт.

17

MT40012564

ROD

Clutch Pedal

1шт.

18

MT40029565

WASHER,5.3mm ID x 10mm OD x 1mm Thk

Plain

1шт.

19

MT40011978

SPRING,Compression, 7mm OD x 13mm L

Clutch Pedal Lock

1шт.

20

MT40029129

PIN

1шт.

21

MT40007478

RUBBER SLEEVE,M8 x 1.25 x 20mm L

1шт.

22

MT40029075

FLANGE NUT,Hex, M8 x 1.25

1шт.

23

MT40011611

SHAFT

1шт.

Выбрано товаров: 23