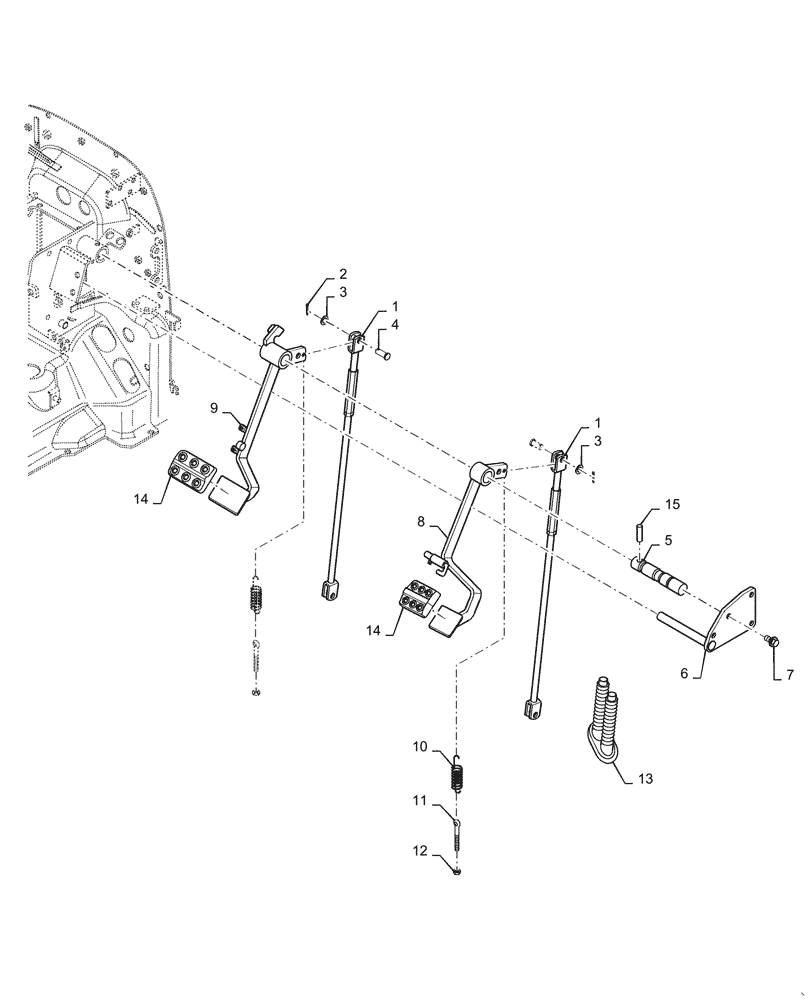
Запчасти Case IH FARMALL 45C (33.120.020) - BRAKE PEDALS, FRONT, MECHANICAL TRANSMISSION (33) - BRAKES & CONTROLS

Схема запчастей Case IH FARMALL 45C - (33.120.020) - BRAKE PEDALS, FRONT, MECHANICAL TRANSMISSION (33) - BRAKES & CONTROLS
6
5
10
13
3
2
1
7
11
9
1
14
15
14
8
4
3
12
FIT
1:1
100%

Артикул

Название

Примечание

Количество

1

MT40268929

ROD,638mm L

Assy, Brake

2шт.

2

MT40029122

PIN,Split, M30 x 20mm L

2шт.

3

MT40028158

WASHER,10.50mm ID x 18mm OD x 2mm Thk

Plain

2шт.

4

MT40009617

PIN,10mm ID x 14mm OD x 26mm L

2шт.

5

MT40268236

SHAFT,26mm OD x 138.5mm L

Brake Pedal

1шт.

6

MT40268234

STOP

Brake Pedal

1шт.

7

MT40029004

BOLT,Hex, M8 x 1.25 x 16mm

3шт.

8

MT40297395

BRAKE

RH, Brake

1шт.

9

MT40297396

BRAKE

LH, Brake

1шт.

10

MT40011959

SPRING,16mm x 2.30mm Dia x 80mm L

2шт.

11

MT40012132

BOLT,Adj, 8mm OD

Adjuster

2шт.

12

MT40012797

NUT,M8 x 1.25

2шт.

13

MT40278914

GROMMET

Brake Rod

1шт.

14

MT40278260

PEDAL

Rubber Pad

2шт.

15

MT40029179

PIN,Spring, M8 x 40mm L

1шт.

Выбрано товаров: 15