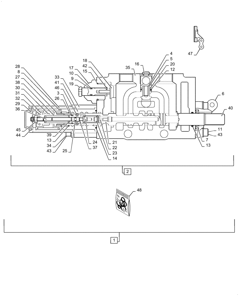
Запчасти Case IH FARMALL 45C (35.204.BE[02]) - REMOTE CONTROL VALVE, 4 POSITION (35) - HYDRAULIC SYSTEMS

Схема запчастей Case IH FARMALL 45C - (35.204.BE[02]) - REMOTE CONTROL VALVE, 4 POSITION (35) - HYDRAULIC SYSTEMS
43
37
9
28
20
33
39
13
24
23
22
19
25
32
18
14
7
34
42
13
6
48
10
31
5
3
47
29
43
11
2
12
27
38
21
30
41
40
45
26
46
36
4
8
44
35
17
1
16
15
FIT
1:1
100%

Артикул

Название

Примечание

Количество

1

84206075

REMOTE CONTROL VALVE

4 Position Float & Detent Valve, Incl 2 - 48

1шт.

2

84204841

REMOTE CONTROL VALVE

Painted Black, Incl 3 - 47

1шт.

3

575094

O-RING,0.07" Thk x 0.364" ID, -12, Cl 5, 75 Duro

1шт.

4

5116884

SPRING,Compression, 6mm OD x 16mm L

1шт.

5

5116886

PIN,9.4mm OD x 10.5mm L

1шт.

6

5116887

SUPPORT

Remote Lever

1шт.

7

5116889

SCRAPER RING,15.6mm ID x 25.4mm OD x 4.8mm Thk

1шт.

8

5116893

SPRING,Compression, 27mm OD x 43mm L

1шт.

9

5120771

WASHER,6.73mm ID x 9.43mm OD x 1.14mm Thk

1шт.

10

5120772

O-RING,1.78mm Thk x 6.75mm ID, 85 Duro

1шт.

11

5124338

HEX SOC SCREW,6.35mm OD x 19mm L

2шт.

12

5135732

O-RING,0.07" Thk x 0.426" ID, -13, Cl 7, 75 Duro

1шт.

13

5135734

O-RING,0.07" Thk x 0.614" ID, -16, Cl 5, 75 Duro

1шт.

14

5135736

O-RING,1.78mm Thk x 20.35mm ID, 80 Duro

1шт.

15

5135739

O-RING,0.737" ID x 0.943" OD x 0.103"

1шт.

16

5135835

VALVE GUIDE,14.25mm OD x 28.5mm L

Valve Detent

1шт.

17

5136346

BODY,7/8" - 14

1шт.

18

5136347

PIN,3.8mm OD x 15mm L

1шт.

19

5136348

PIN,10mm OD x 37mm L

1шт.

20

5138508

BACK-UP RING,Back Up, 10mm ID x 12mm OD x 10mm Thk

1шт.

21

5143554

PLUG,Slot, M7 x 0.75

Valve Spool

1шт.

22

5143555

PIN,5.5mm OD x 12mm L

1шт.

23

5143556

SPRING,Compression, 9mm OD x 21.2mm L

1шт.

24

5143557

PIN,5.5mm OD x 52.5mm L

1шт.

25

5143558

O-RING,1.78mm Thk x 2.54mm ID

1,78 x 2,57

1шт.

26

5143560

RING,9.91mm ID x 12.61mm OD x 1.2mm Thk

1шт.

27

5143564

SPRING CUP,19mm ID x 27mm OD x 10.4mm L

1шт.

28

5143566

FLANGE COVER CAP,28.8mm ID x 32mm OD x 60mm L

Remote Valve

1шт.

29

5143567

COVER

Remote Valve

1шт.

30

5143575

CUP,13mm ID x 21.5mm OD x 18mm Thk

Remote Valve

1шт.

31

5143576

SPACER,13mm ID x 18.5mm OD x 5mm L

1шт.

32

5143577

SNAP RING,11.2mm D x 1.6mm Thk

1шт.

33

5143578

SPACER,28mm ID x 32mm OD x 29.5mm L

1шт.

34

5143621

HEX SOC SCREW,6.35mm OD x 48.5mm L

2шт.

35

NSS

NOT SOLD SEPARAT

Body, Incl in 1

1шт.

36

5163362

ADJUSTMENT SCREW,Hdls Hex Skt, M3.5 x 10mm

1шт.

37

5163363

BUSHING,5.5mm ID x 12mm OD x 16mm L

1шт.

38

5163365

PLUG,M14 x 1.5

1шт.

39

5163369

SPRING,Compression, 9mm OD x 38mm L

1шт.

40

NSS

NOT SOLD SEPARAT

Rod, Incl in 1

1шт.

41

5179066

BUSHING,16mm ID x 27mm OD x 47mm L

1шт.

42

11087876

CIRCLIP,M7

1шт.

43

11197774

BELLEVILLE WASHER,M6 Bolt Size x 12mm OD x 1.2mm Thk

4шт.

44

13421276

SNAP RING,M28, Int

1шт.

45

15896421

NUT,M5, Cl 10

1шт.

46

20063420

BALL,3.96mm OD, Gr 100

3шт.

47

5116896

LINK,19.05mm Pitch

1шт.

48

87620847

SEAL KIT

Services 1

1шт.

Выбрано товаров: 48