Запчасти Case IH FARMALL 45C (41.216.AN) - STEERING CYLINDER & TIE ROD, FRONT AXLE (41) - STEERING

Схема запчастей Case IH FARMALL 45C - (41.216.AN) - STEERING CYLINDER & TIE ROD, FRONT AXLE (41) - STEERING
7
9
11
2
3
13
3
8
5
12
5
1
6
10
4
4
FIT
1:1
100%

Артикул

Название

Примечание

Количество

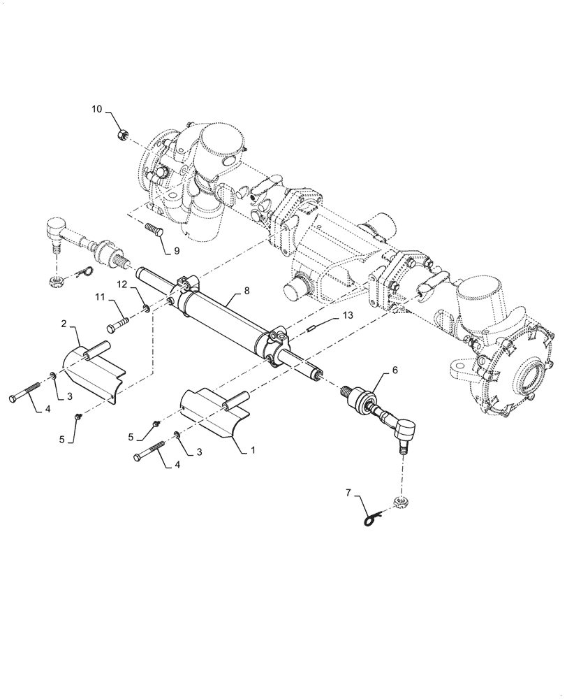
1

47500752

COVER

Steering Cylinder, LH

1шт.

2

47500753

COVER

Steering Cylinder, RH

1шт.

3

10516879

LOCK WASHER,10.2mm ID x 17.7mm OD x 2.5mm Thk

2шт.

4

538885

BOLT,Hex, M10 x 1.5 x 90mm, Cl 8.8, Full Thd

2шт.

5

9995155

BOLT,Hex, M6 x 10mm

2шт.

6

47529454

BALL JOINT

Tie Rod End

2шт.

7

84561112

COTTER PIN,3.63mm x 54.25mm L

2шт.

8

47529433

STEERING CYLINDER

Front Axle

1шт.

9

47551628

BOLT

Steering Stop

2шт.

10

10790421

NUT,M14 x 1.5, Cl 10

2шт.

11

11227731

BOLT,Hex, M12 x 1.5 x 55

4шт.

12

14499601

WASHER,13mm ID x 20mm OD x 2.5mm Thk

4шт.

13

47529443

PIN

Dowel, Steering Cylinder Location

2шт.

Выбрано товаров: 13