Запчасти Case IH FARMALL 45C (90.108.AC[03]) - SLOW MOVING VEHICLE EMBLEM (90) - PLATFORM, CAB, BODYWORK AND DECALS

Схема запчастей Case IH FARMALL 45C - (90.108.AC[03]) - SLOW MOVING VEHICLE EMBLEM (90) - PLATFORM, CAB, BODYWORK AND DECALS
11
13
9
5
4
8
3
10
12
6
7
2
1
FIT
1:1
100%

Артикул

Название

Примечание

Количество

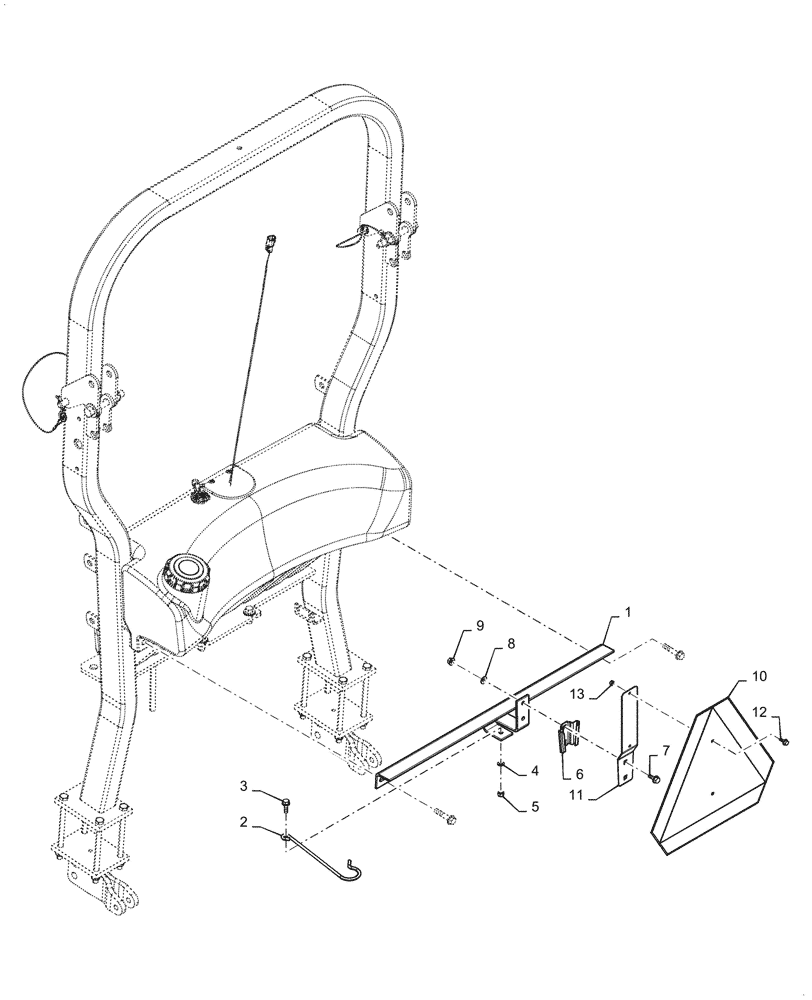
1

86578416

ANGLE

SMV Mount

1шт.

2

86562358

HOLDER

SMV Plate

1шт.

3

9671714

FLANGE BOLT,Hex, M8 x 1.25 x 25mm, Cl 8.8

1шт.

4

86511315

WASHER,8.4mm ID x 16mm OD x 1.8mm Thk

1шт.

5

86629542

NUT,M8 x 1.25, Cl 8.8

1шт.

6

847590

BRACKET

SMV Plate Mount

1шт.

7

9804258

BOLT,Hex, M8 x 1.25 x 20mm, Cl 8.8

2шт.

8

322358

BELLEVILLE WASHER,M8 Bolt Size x 18mm OD x 1.4mm Thk

2шт.

9

9804277

FLANGE NUT,Hex, M8 x 1.25, Cl 8

2шт.

10

195035

SUPPORT

SMV Plate Mount

1шт.

11

87308105

WARNING TRIANGLE

SMV

1шт.

12

9804255

BOLT,Hex, M6 x 1 x 16mm, Full Thd, Cl 8.8

2шт.

13

353308

NUT,M6 x 1.0, Cl 8

2шт.

Выбрано товаров: 13