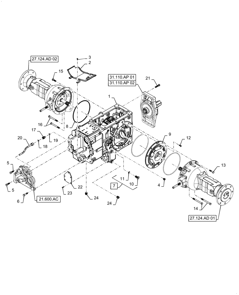
Запчасти Case IH FARMALL 45C (21.504.AK[03]) - REAR HOUSING ASSEMBLY (21) - TRANSMISSION

Схема запчастей Case IH FARMALL 45C - (21.504.AK[03]) - REAR HOUSING ASSEMBLY (21) - TRANSMISSION
31.110.ap 02
7
24
14
5
21
13
18
6
23
17
4
20
9
16
5
12
1
22
10
3
19
15
24
2
11
8
27.124.ad 02
31.110.ap 01
27.124.ad 01
21.600.ac
FIT
1:1
100%

Артикул

Название

Примечание

Количество

1

47599652

HOUSING

Rear Axle

1шт.

2

47394995

SHIELD

Variator Pulley

1шт.

3

613-6012

BOLT,Hex, M6 x 1 x 12mm, Cl 8.8, Full Thd

2шт.

4

10118711

PLUG,M14 x 1.5 x 12, Cl5.8

1шт.

5

87015753

BOLT,Hex, M12 x 40, 8.8, Full Thd

2шт.

6

47481284

BOLT

M12 x 50mm, Cl. 8.8

1шт.

7

47432841

PLUG

Expansion, Incl 10 - 11

1шт.

8

87481393

O-RING

Rear Axle Housing, 247.65mm ID x 254mm OD x 3.175mm Thk

3шт.

9

87573414

BEARING CARRIER

Rear Axle

1шт.

10

47426471

PLUG

Expansion

1шт.

11

14453181

O-RING,0.489" ID x 0.07" Width

1шт.

12

47481273

BOLT

Hex Socket, M8 x 25mm, Cl. 8.8

2шт.

13

84145862

BOLT,Hex, M12 x 1.25 x 50mm, Cl 8.8

7шт.

14

84145865

BOLT,Hex, M12 x 1.25 x 130mm, Cl 8.8

2шт.

15

84145864

BOLT,Hex, M12 x 1.25 x 40mm, Cl 8.8

7шт.

16

84145867

BOLT,Hex, M12 x 1.25 x 120mm, Cl 8.8

2шт.

17

86579674

HYD CONNECTOR,13/16"-16 ORFS x M14 x 1.5 ORB

1шт.

18

9992298

O-RING,0.07" Thk x 0.489" ID, -14, Cl 6, 90 Duro

1шт.

19

86598099

O-RING,2.2mm Thk x 11.3mm ID, Cl 6

1шт.

20

47394871

HYD TUBE

Torque Sensor Inlet

1шт.

21

47481689

BOLT

Hex, M12 x 55mm, Full Thread, Cl. 8.8

6шт.

22

47496504

COVER

PTO Delete

1шт.

23

615-6020

BOLT,Hex, M6 x 1 x 20mm, Cl 8.8, Full Thd

5шт.

24

14324411

MAGNETIC PLUG,M22 x 1.50, Cl 5.8, ZND

2шт.

Выбрано товаров: 0