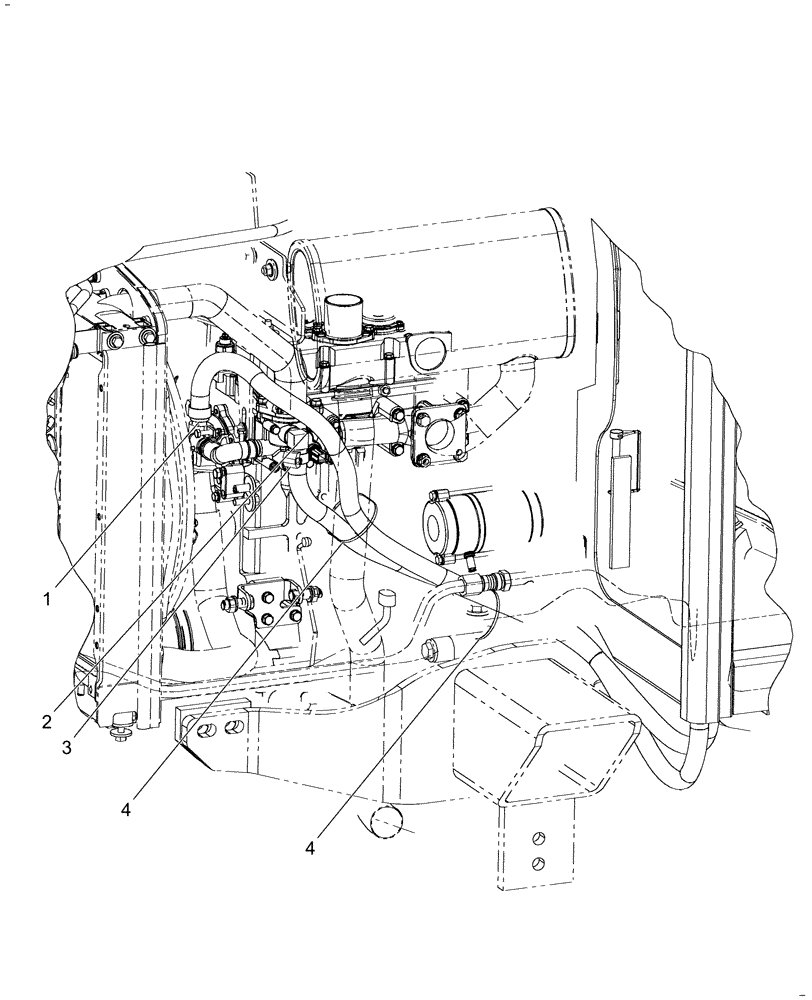
Запчасти Case IH FARMALL 50 (10.15.05) - HEATER HOSE FITTINGS, CLAMPS,CABLE TIE (10) - OPERATORS PLATFORM/CAB

Схема запчастей Case IH FARMALL 50 - (10.15.05) - HEATER HOSE FITTINGS, CLAMPS,CABLE TIE (10) - OPERATORS PLATFORM/CAB
2
4
4
3
1
FIT
1:1
100%

Артикул

Название

Примечание

Количество

1

642560

FITTING,5/8" Hose x 3/8" NPTF Beaded

1шт.

2

287644

FITTING,90 Degree, 5/8" Hose x 3/8" NPTF Beaded

1шт.

3

58948

CLAMP

2шт.

4

263117

CABLE TIE,292.1mm L, Nylon, Black

CABLE STRAP

2шт.

Выбрано товаров: 4